lemon-mirror:
Home >> Lexus >> 2007 >> GS 430 >> Repair and Diagnosis >> Electrical >> Body Electrical >> OEM System Circuits >> Dynamic Radar Cruise Control for 2GR-FSE >> Notes

Dynamic Radar Cruise Control for 2GR-FSE: Notes

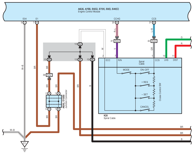
Fig 1: Dynamic Radar Cruise Control For 2GR-FSE System Wiring Diagram (1 Of 15)
G08915783Courtesy of © TOYOTA, LICENSE AGREEMENT TMS1002
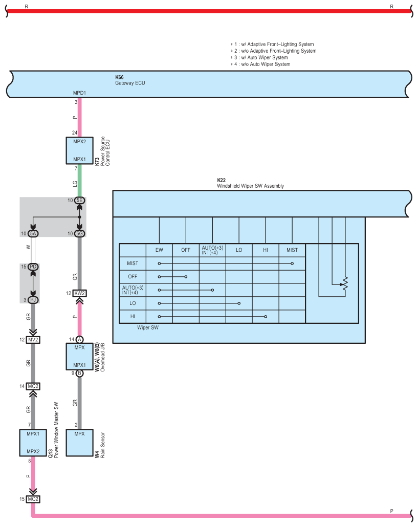
Fig 2: Dynamic Radar Cruise Control For 2GR-FSE System Wiring Diagram (2 Of 15)
G08915784Courtesy of © TOYOTA, LICENSE AGREEMENT TMS1002
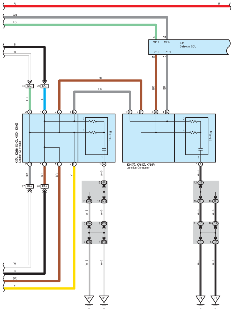
Fig 3: Dynamic Radar Cruise Control For 2GR-FSE System Wiring Diagram (3 Of 15)
G08915785Courtesy of © TOYOTA, LICENSE AGREEMENT TMS1002
Fig 4: Dynamic Radar Cruise Control For 2GR-FSE System Wiring Diagram (4 Of 15)
G08915786Courtesy of © TOYOTA, LICENSE AGREEMENT TMS1002
Fig 5: Dynamic Radar Cruise Control For 2GR-FSE System Wiring Diagram (5 Of 15)
G08915787Courtesy of © TOYOTA, LICENSE AGREEMENT TMS1002
Fig 6: Dynamic Radar Cruise Control For 2GR-FSE System Wiring Diagram (6 Of 15)
G08915788Courtesy of © TOYOTA, LICENSE AGREEMENT TMS1002
Fig 7: Dynamic Radar Cruise Control For 2GR-FSE System Wiring Diagram (7 Of 15)
G08915789Courtesy of © TOYOTA, LICENSE AGREEMENT TMS1002
Fig 8: Dynamic Radar Cruise Control For 2GR-FSE System Wiring Diagram (8 Of 15)
G08915790Courtesy of © TOYOTA, LICENSE AGREEMENT TMS1002
Fig 9: Dynamic Radar Cruise Control For 2GR-FSE System Wiring Diagram (9 Of 15)
G08915791Courtesy of © TOYOTA, LICENSE AGREEMENT TMS1002
Fig 10: Dynamic Radar Cruise Control For 2GR-FSE System Wiring Diagram (10 Of 15)
G08915792Courtesy of © TOYOTA, LICENSE AGREEMENT TMS1002
Fig 11: Dynamic Radar Cruise Control For 2GR-FSE System Wiring Diagram (11 Of 15)
G08915793Courtesy of © TOYOTA, LICENSE AGREEMENT TMS1002
Fig 12: Dynamic Radar Cruise Control For 2GR-FSE System Wiring Diagram (12 Of 15)
G08915794Courtesy of © TOYOTA, LICENSE AGREEMENT TMS1002
Fig 13: Dynamic Radar Cruise Control For 2GR-FSE System Wiring Diagram (13 Of 15)
G08915795Courtesy of © TOYOTA, LICENSE AGREEMENT TMS1002
Fig 14: Dynamic Radar Cruise Control For 2GR-FSE System Wiring Diagram (14 Of 15)
G08915796Courtesy of © TOYOTA, LICENSE AGREEMENT TMS1002
Fig 15: Dynamic Radar Cruise Control For 2GR-FSE System Wiring Diagram (15 Of 15)
G08915797Courtesy of © TOYOTA, LICENSE AGREEMENT TMS1002