lemon-mirror:
Home >> Lexus >> 2007 >> GS 430 >> Repair and Diagnosis >> Electrical >> Body Electrical >> OEM System Circuits >> EPS >> Notes

OEM System Circuits: EPS: Notes

Fig 1: EPS System Wiring Diagram (1 Of 6)
G08915836Courtesy of © TOYOTA, LICENSE AGREEMENT TMS1002
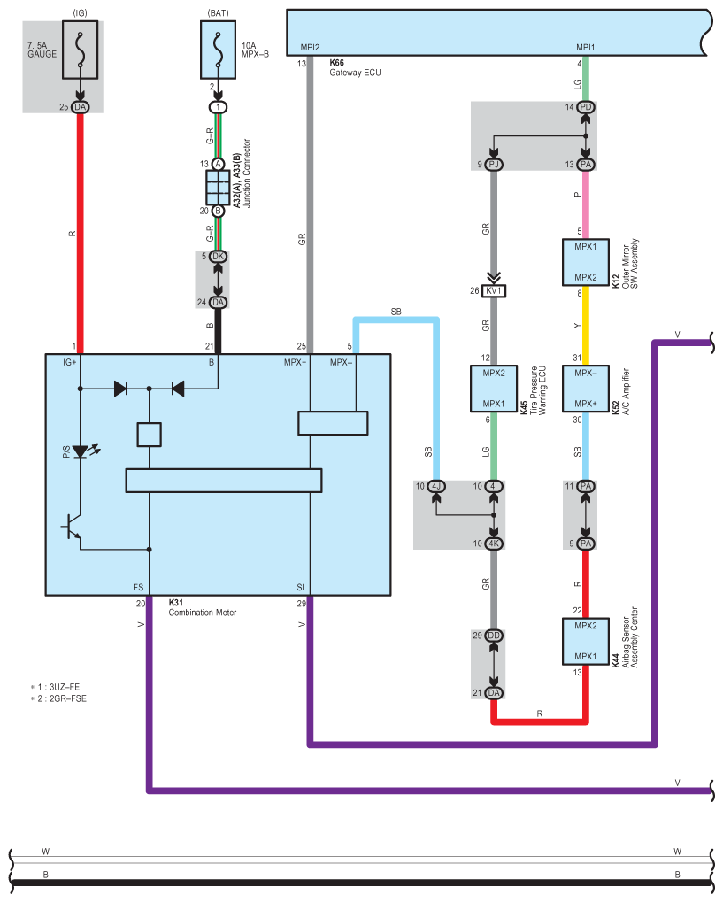
Fig 2: EPS System Wiring Diagram (2 Of 6)
G08915837Courtesy of © TOYOTA, LICENSE AGREEMENT TMS1002
Fig 3: EPS System Wiring Diagram (3 Of 6)
G08915838Courtesy of © TOYOTA, LICENSE AGREEMENT TMS1002
Fig 4: EPS System Wiring Diagram (4 Of 6)
G08915839Courtesy of © TOYOTA, LICENSE AGREEMENT TMS1002
Fig 5: EPS System Wiring Diagram (5 Of 6)
G08915840Courtesy of © TOYOTA, LICENSE AGREEMENT TMS1002
Fig 6: EPS System Wiring Diagram (6 Of 6)
G08915841Courtesy of © TOYOTA, LICENSE AGREEMENT TMS1002