lemon-mirror:
Home >> Lexus >> 2007 >> GS 430 >> Repair and Diagnosis >> Electrical >> Body Electrical >> OEM System Circuits >> Front Fog Light >> Notes

Front Fog Light: Notes

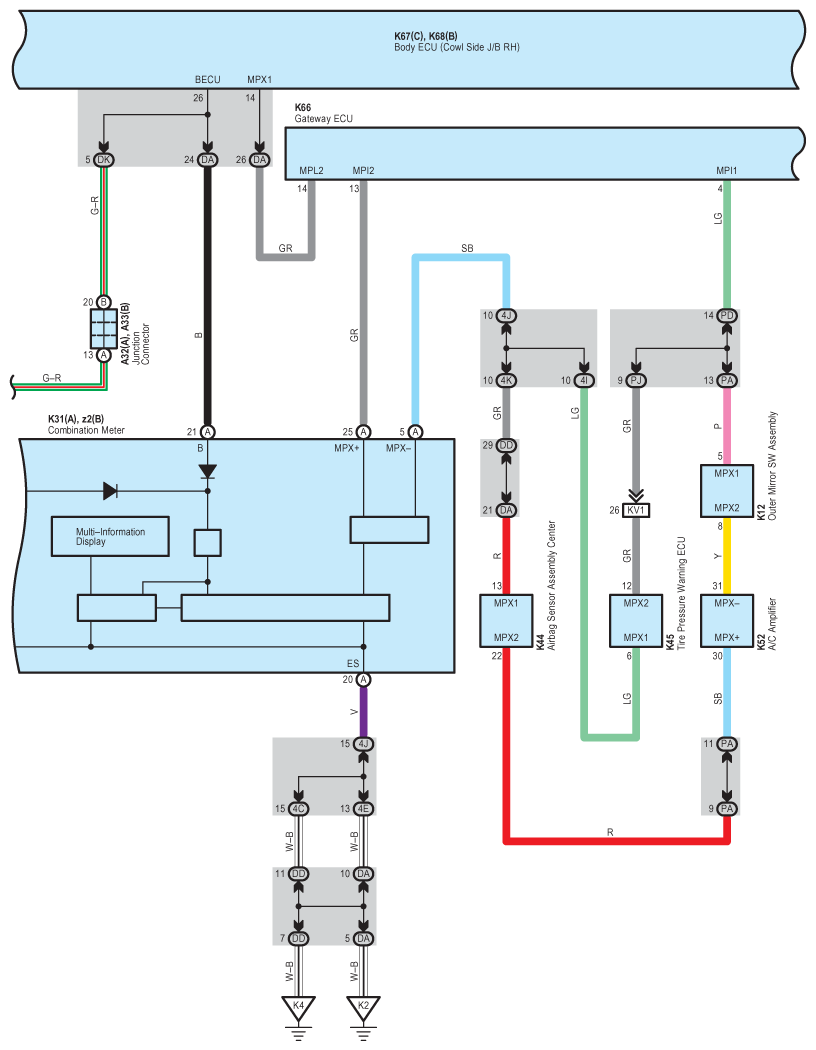
Fig 1: Front Fog Light System Wiring Diagram (1 Of 5)
G08915674Courtesy of © TOYOTA, LICENSE AGREEMENT TMS1002
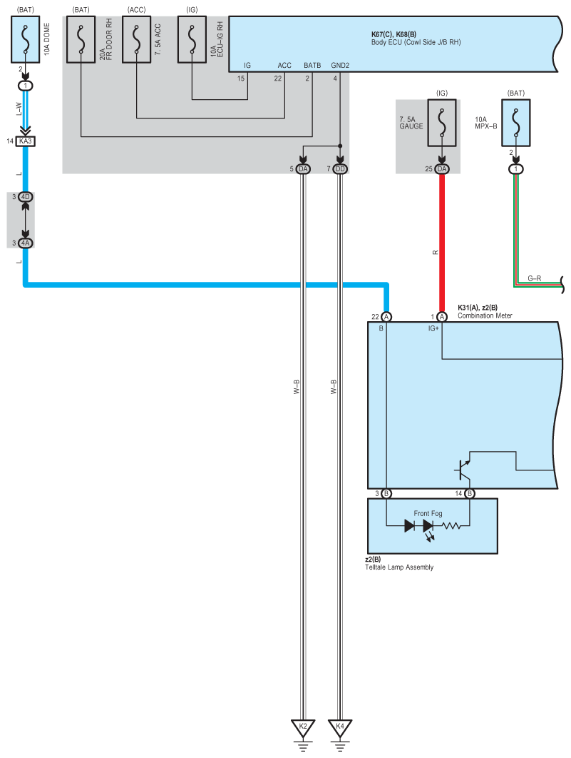
Fig 2: Front Fog Light System Wiring Diagram (2 Of 5)
G08915675Courtesy of © TOYOTA, LICENSE AGREEMENT TMS1002
Fig 3: Front Fog Light System Wiring Diagram (3 Of 5)
G08915676Courtesy of © TOYOTA, LICENSE AGREEMENT TMS1002
Fig 4: Front Fog Light System Wiring Diagram (4 Of 5)
G08915677Courtesy of © TOYOTA, LICENSE AGREEMENT TMS1002
Fig 5: Front Fog Light System Wiring Diagram (5 Of 5)
G08915678Courtesy of © TOYOTA, LICENSE AGREEMENT TMS1002