lemon-mirror:
Home >> Lexus >> 2007 >> GS 430 >> Repair and Diagnosis >> Electrical >> Body Electrical >> OEM System Circuits >> Ignition for 3UZ-FE >> Notes

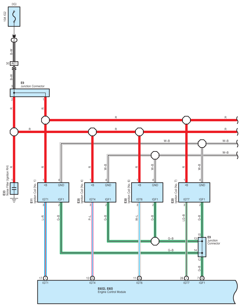
Ignition for 3UZ-FE: Notes

Fig 1: Ignition For 3UZ-FE System Wiring Diagram (1 Of 2)
G08915582Courtesy of © TOYOTA, LICENSE AGREEMENT TMS1002
Fig 2: Ignition For 3UZ-FE System Wiring Diagram (2 Of 2)
G08915583Courtesy of © TOYOTA, LICENSE AGREEMENT TMS1002