lemon-mirror:
Home >> Lexus >> 2007 >> GS 430 >> Repair and Diagnosis >> Electrical >> Body Electrical >> OEM System Circuits >> Mirror Heater >> Notes

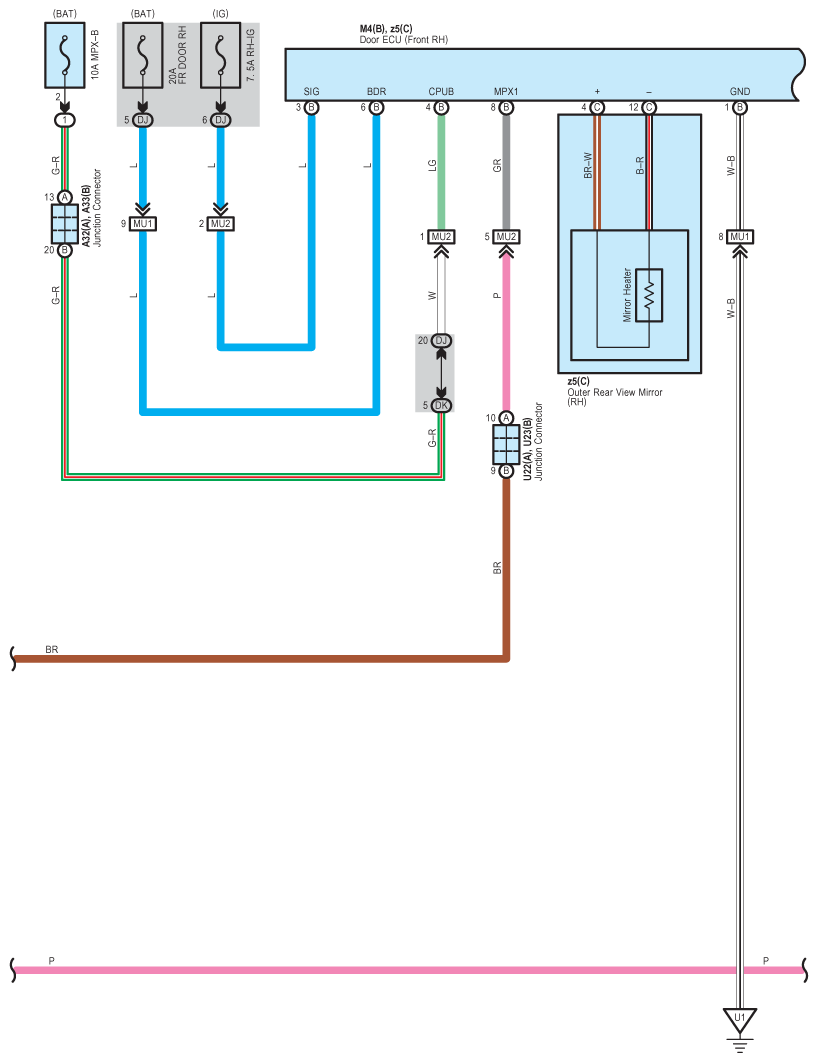
Mirror Heater: Notes

Fig 1: Mirror Heater System Wiring Diagram (1 Of 3)
G08915942Courtesy of © TOYOTA, LICENSE AGREEMENT TMS1002
Fig 2: Mirror Heater System Wiring Diagram (2 Of 3)
G08915943Courtesy of © TOYOTA, LICENSE AGREEMENT TMS1002
Fig 3: Mirror Heater System Wiring Diagram (3 Of 3)
G08915944Courtesy of © TOYOTA, LICENSE AGREEMENT TMS1002