lemon-mirror:
Home >> Lexus >> 2007 >> GS 430 >> Repair and Diagnosis >> Electrical >> Body Electrical >> OEM System Circuits >> Multiplex Communication System - CAN >> Notes

Multiplex Communication System - CAN: Notes

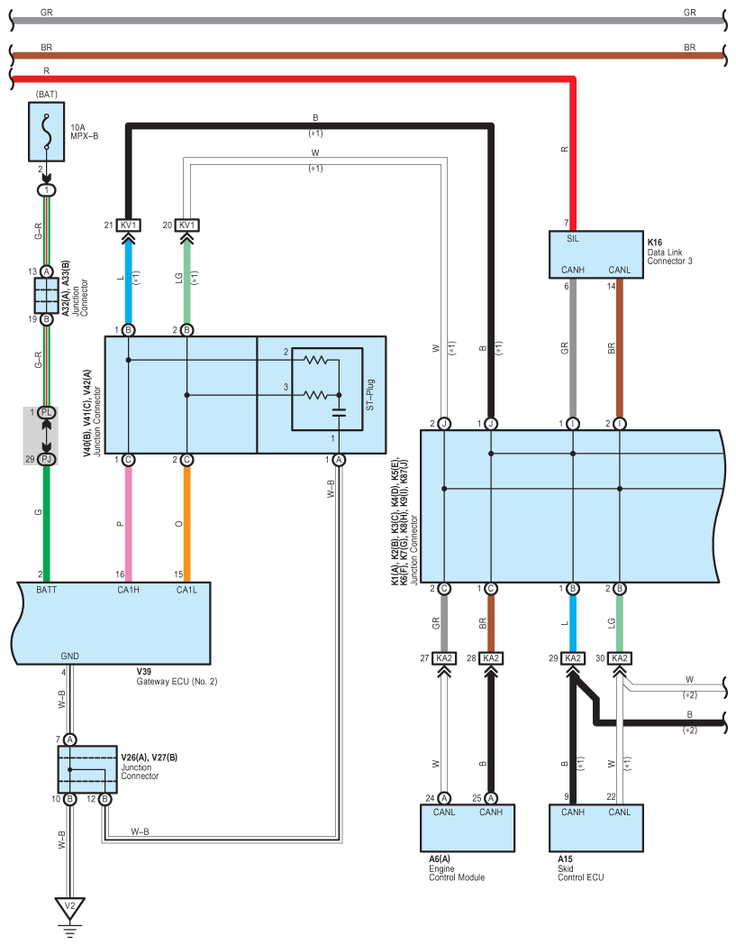
Fig 1: Multiplex Communication System - CAN System Wiring Diagram (1 Of 6)
G08915623Courtesy of © TOYOTA, LICENSE AGREEMENT TMS1002
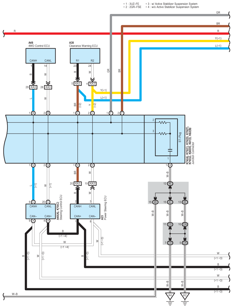
Fig 2: Multiplex Communication System - CAN System Wiring Diagram (2 Of 6)
G08915624Courtesy of © TOYOTA, LICENSE AGREEMENT TMS1002
Fig 3: Multiplex Communication System - CAN System Wiring Diagram (3 Of 6)
G08915625Courtesy of © TOYOTA, LICENSE AGREEMENT TMS1002
Fig 4: Multiplex Communication System - CAN System Wiring Diagram (4 Of 6)
G08915626Courtesy of © TOYOTA, LICENSE AGREEMENT TMS1002
Fig 5: Multiplex Communication System - CAN System Wiring Diagram (5 Of 6)
G08915627Courtesy of © TOYOTA, LICENSE AGREEMENT TMS1002
Fig 6: Multiplex Communication System - CAN System Wiring Diagram (6 Of 6)
G08915628Courtesy of © TOYOTA, LICENSE AGREEMENT TMS1002