lemon-mirror:
Home >> Lexus >> 2007 >> GS 430 >> Repair and Diagnosis >> Electrical >> Body Electrical >> OEM System Circuits >> Power Source >> Notes

Power Source: Notes

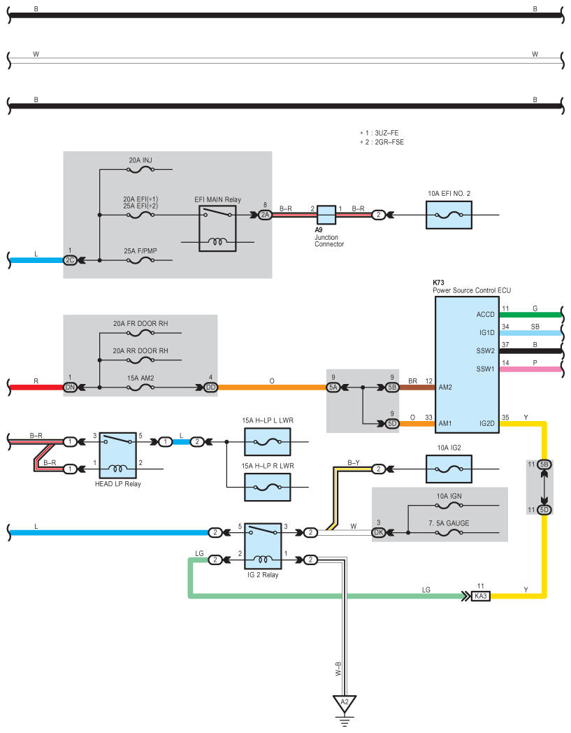
Fig 1: Power Source System Wiring Diagram (1 Of 6)
G08915569Courtesy of © TOYOTA, LICENSE AGREEMENT TMS1002
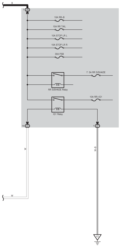
Fig 2: Power Source System Wiring Diagram (2 Of 6)
G08915570Courtesy of © TOYOTA, LICENSE AGREEMENT TMS1002
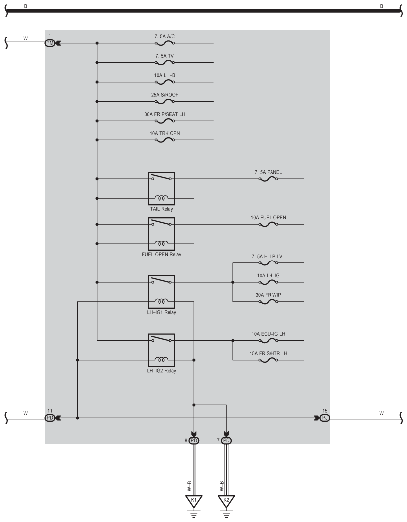
Fig 3: Power Source System Wiring Diagram (3 Of 6)
G08915571Courtesy of © TOYOTA, LICENSE AGREEMENT TMS1002
Fig 4: Power Source System Wiring Diagram (4 Of 6)
G08915572Courtesy of © TOYOTA, LICENSE AGREEMENT TMS1002
Fig 5: Power Source System Wiring Diagram (5 Of 6)
G08915573Courtesy of © TOYOTA, LICENSE AGREEMENT TMS1002
Fig 6: Power Source System Wiring Diagram (6 Of 6)
G08915574Courtesy of © TOYOTA, LICENSE AGREEMENT TMS1002