lemon-mirror:
Home >> Lexus >> 2007 >> GS 430 >> Repair and Diagnosis >> Electrical >> Body Electrical >> OEM System Circuits >> Rear Sunshade >> Notes

Rear Sunshade: Notes

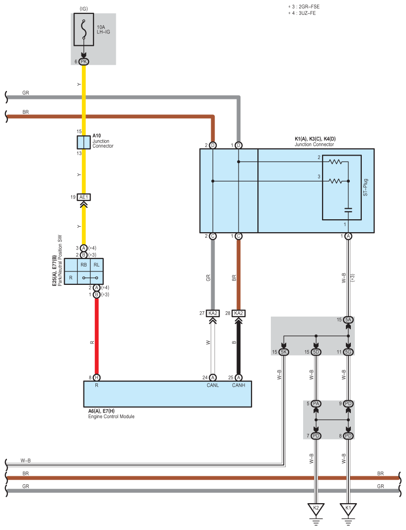
Fig 1: Rear Sunshade System Wiring Diagram (1 Of 5)
G08915895Courtesy of © TOYOTA, LICENSE AGREEMENT TMS1002
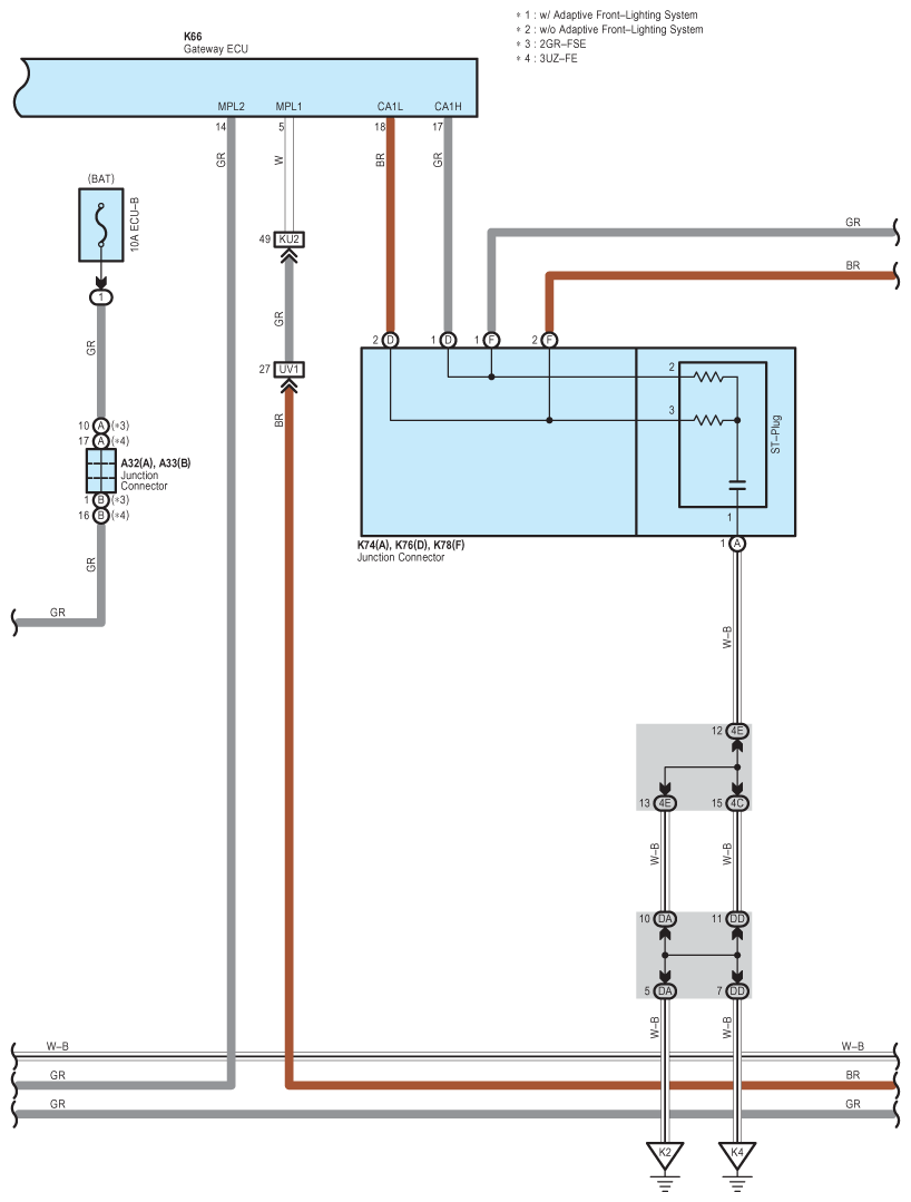
Fig 2: Rear Sunshade System Wiring Diagram (2 Of 5)
G08915896Courtesy of © TOYOTA, LICENSE AGREEMENT TMS1002
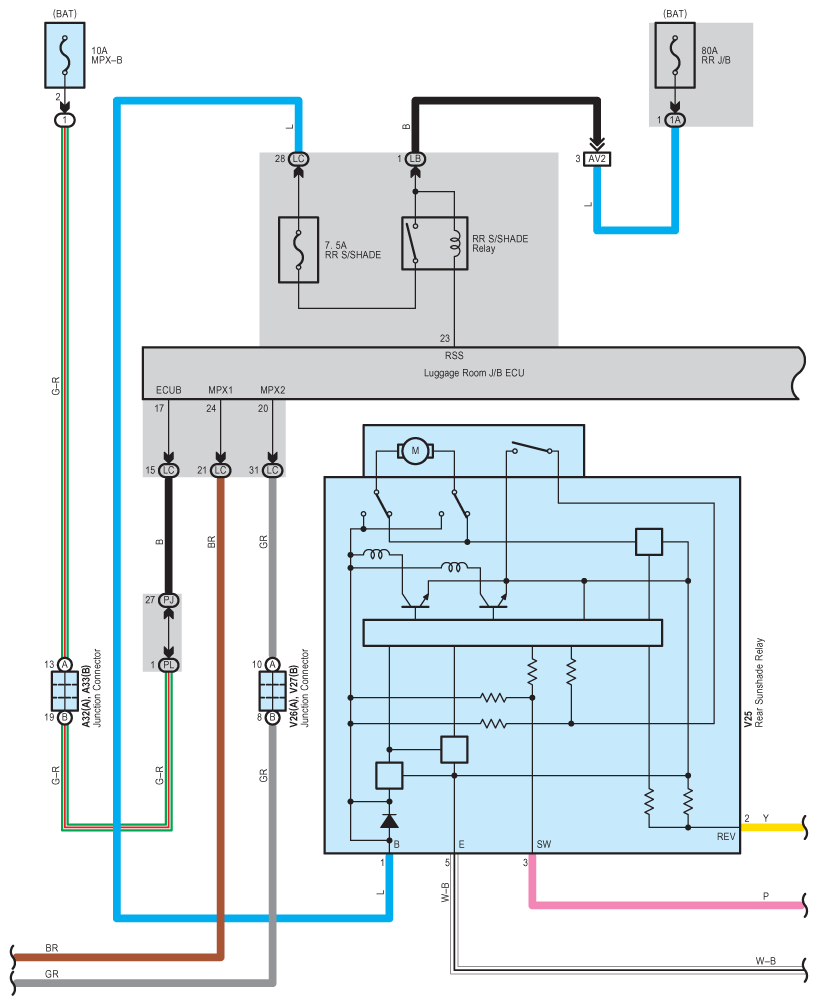
Fig 3: Rear Sunshade System Wiring Diagram (3 Of 5)
G08915897Courtesy of © TOYOTA, LICENSE AGREEMENT TMS1002
Fig 4: Rear Sunshade System Wiring Diagram (4 Of 5)
G08915898Courtesy of © TOYOTA, LICENSE AGREEMENT TMS1002
Fig 5: Rear Sunshade System Wiring Diagram (5 Of 5)
G08915899Courtesy of © TOYOTA, LICENSE AGREEMENT TMS1002