lemon-mirror:
Home >> Lexus >> 2007 >> GS 430 >> Repair and Diagnosis >> Electrical >> Body Electrical >> OEM System Circuits >> Rear Window Defogger >> Notes

Rear Window Defogger: Notes

Fig 1: Rear Window Defogger System Wiring Diagram (1 Of 3)
G08915945Courtesy of © TOYOTA, LICENSE AGREEMENT TMS1002
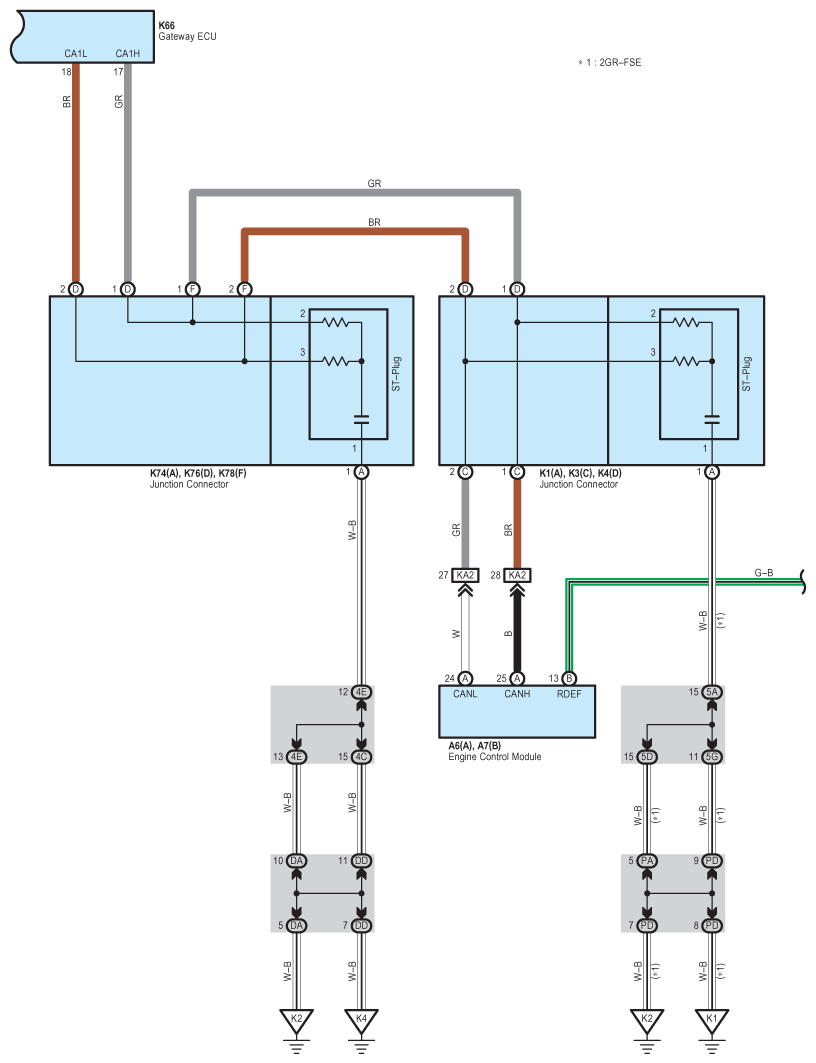
Fig 2: Rear Window Defogger System Wiring Diagram (2 Of 3)
G08915946Courtesy of © TOYOTA, LICENSE AGREEMENT TMS1002
Fig 3: Rear Window Defogger System Wiring Diagram (3 Of 3)
G08915947Courtesy of © TOYOTA, LICENSE AGREEMENT TMS1002