lemon-mirror:
Home >> Lexus >> 2007 >> GS 430 >> Repair and Diagnosis >> Electrical >> Body Electrical >> OEM System Circuits >> Remote Control Mirror >> Notes

Remote Control Mirror: Notes

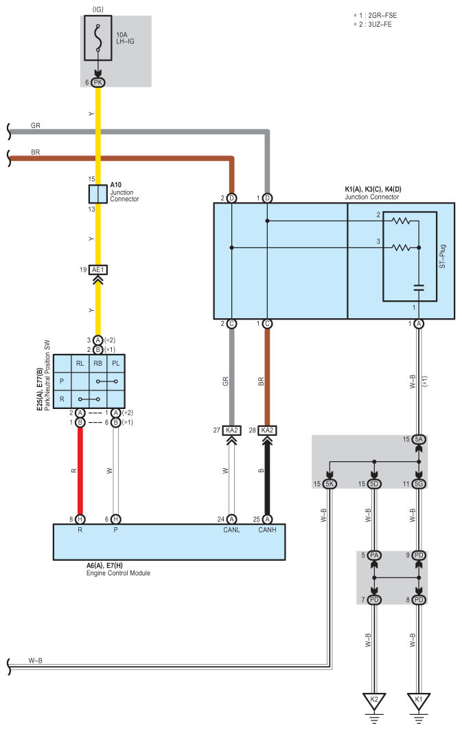
Fig 1: Remote Control Mirror System Wiring Diagram (1 Of 6)
G08915936Courtesy of © TOYOTA, LICENSE AGREEMENT TMS1002
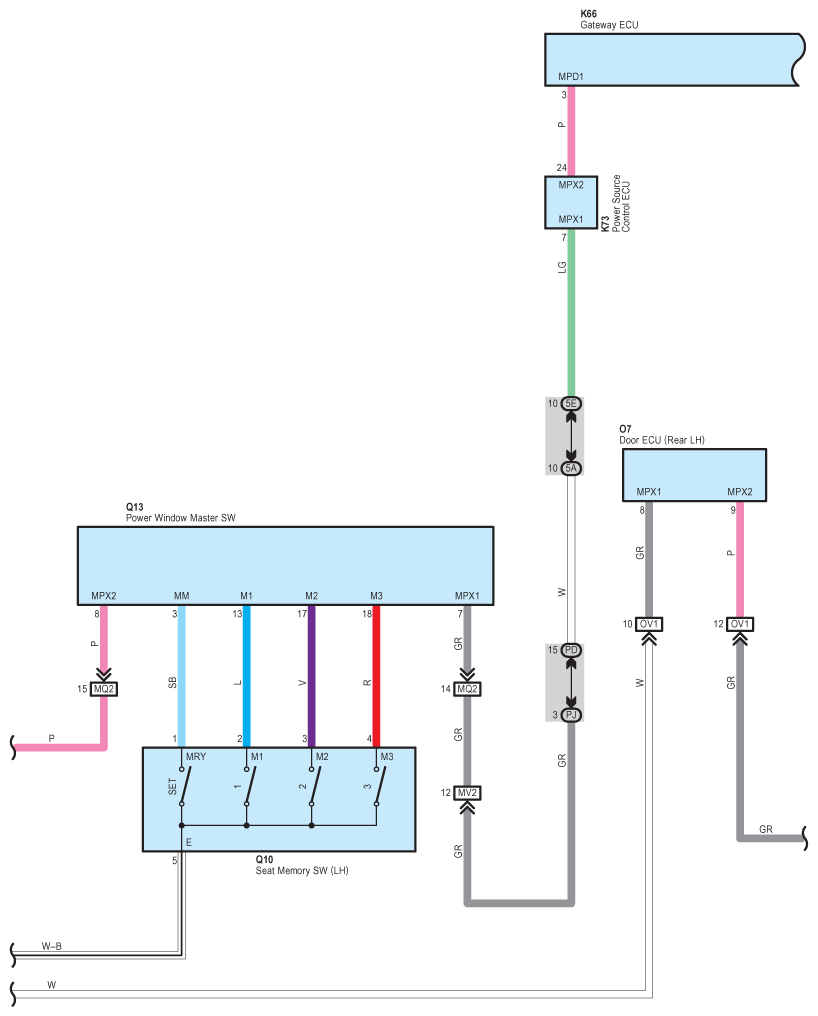
Fig 2: Remote Control Mirror System Wiring Diagram (2 Of 6)
G08915937Courtesy of © TOYOTA, LICENSE AGREEMENT TMS1002
Fig 3: Remote Control Mirror System Wiring Diagram (3 Of 6)
G08915938Courtesy of © TOYOTA, LICENSE AGREEMENT TMS1002
Fig 4: Remote Control Mirror System Wiring Diagram (4 Of 6)
G08915939Courtesy of © TOYOTA, LICENSE AGREEMENT TMS1002
Fig 5: Remote Control Mirror System Wiring Diagram (5 Of 6)
G08915940Courtesy of © TOYOTA, LICENSE AGREEMENT TMS1002
Fig 6: Remote Control Mirror System Wiring Diagram (6 Of 6)
G08915941Courtesy of © TOYOTA, LICENSE AGREEMENT TMS1002