lemon-mirror:
Home >> Lexus >> 2007 >> GS 430 >> Repair and Diagnosis >> Electrical >> Body Electrical >> OEM System Circuits >> Theft Deterrent >> Notes

Theft Deterrent: Notes

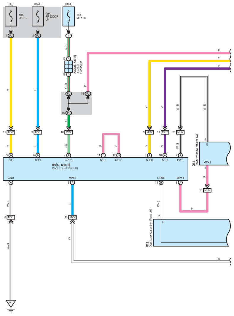
Fig 1: Theft Deterrent System Wiring Diagram (1 Of 11)
G08915737Courtesy of © TOYOTA, LICENSE AGREEMENT TMS1002
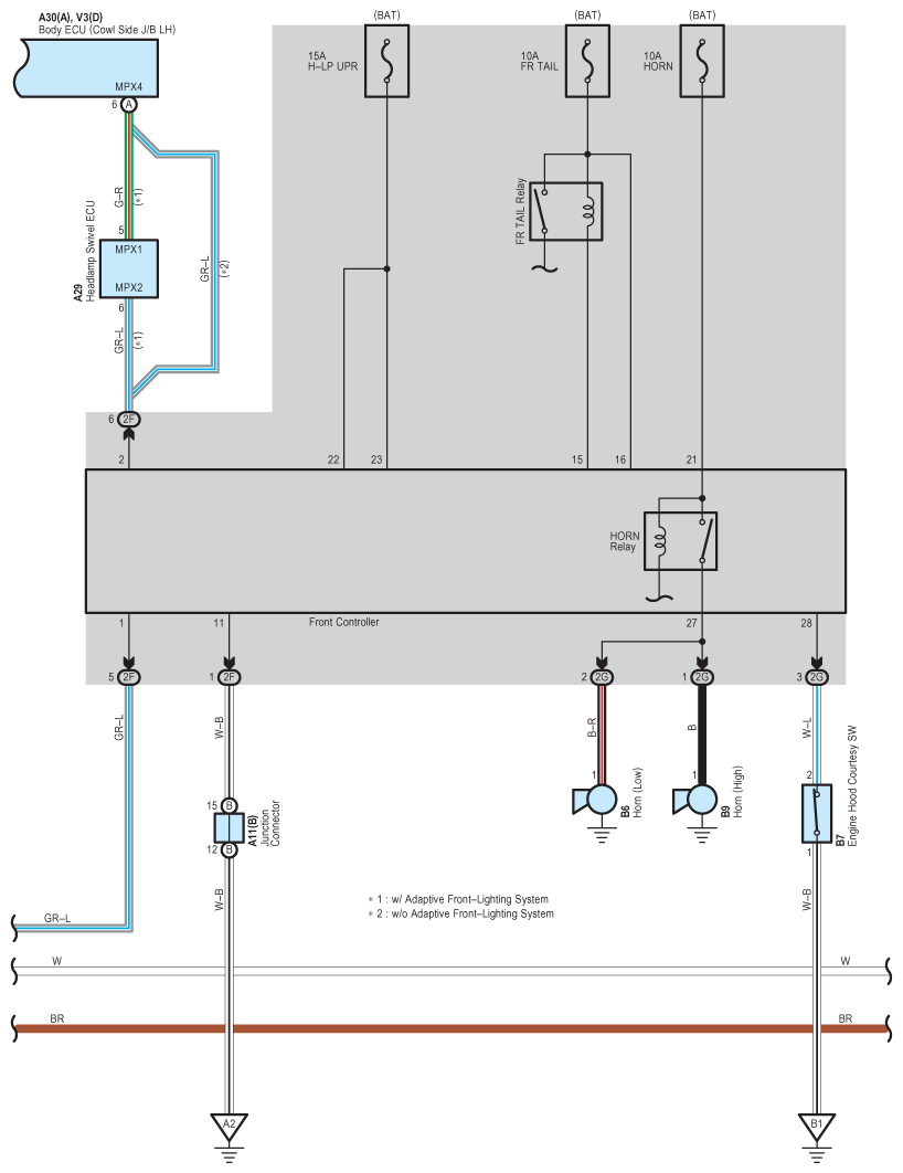
Fig 2: Theft Deterrent System Wiring Diagram (2 Of 11)
G08915738Courtesy of © TOYOTA, LICENSE AGREEMENT TMS1002
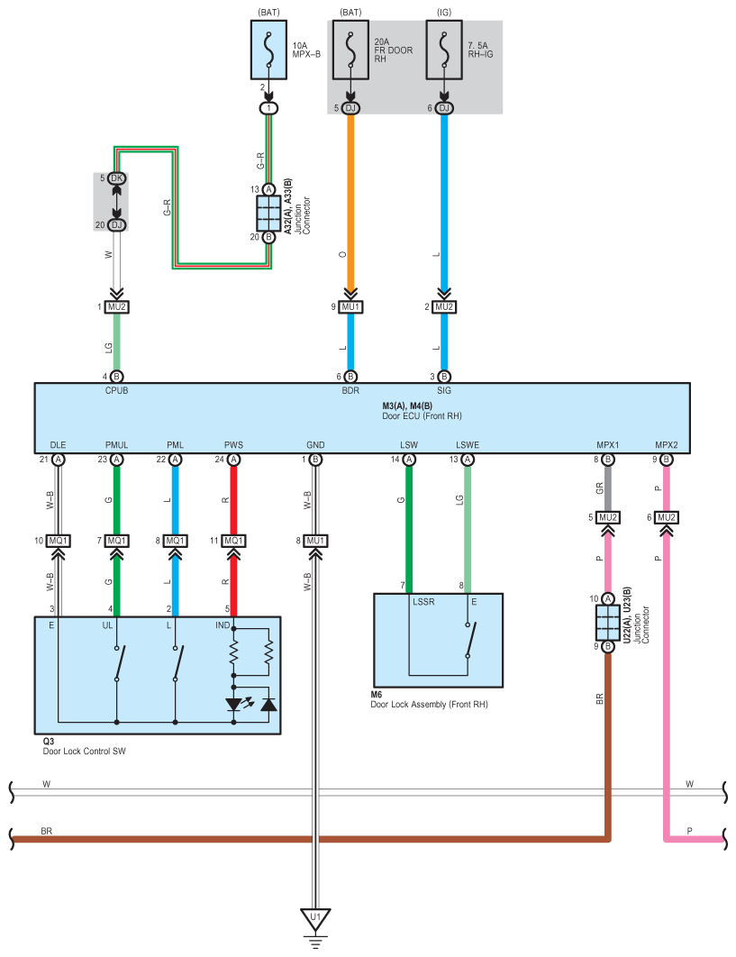
Fig 3: Theft Deterrent System Wiring Diagram (3 Of 11)
G08915739Courtesy of © TOYOTA, LICENSE AGREEMENT TMS1002
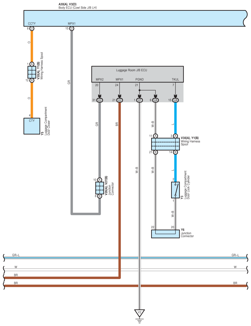
Fig 4: Theft Deterrent System Wiring Diagram (4 Of 11)
G08915740Courtesy of © TOYOTA, LICENSE AGREEMENT TMS1002
Fig 5: Theft Deterrent System Wiring Diagram (5 Of 11)
G08915741Courtesy of © TOYOTA, LICENSE AGREEMENT TMS1002
Fig 6: Theft Deterrent System Wiring Diagram (6 Of 11)
G08915742Courtesy of © TOYOTA, LICENSE AGREEMENT TMS1002
Fig 7: Theft Deterrent System Wiring Diagram (7 Of 11)
G08915743Courtesy of © TOYOTA, LICENSE AGREEMENT TMS1002
Fig 8: Theft Deterrent System Wiring Diagram (8 Of 11)
G08915744Courtesy of © TOYOTA, LICENSE AGREEMENT TMS1002
Fig 9: Theft Deterrent System Wiring Diagram (9 Of 11)
G08915745Courtesy of © TOYOTA, LICENSE AGREEMENT TMS1002
Fig 10: Theft Deterrent System Wiring Diagram (10 Of 11)
G08915746Courtesy of © TOYOTA, LICENSE AGREEMENT TMS1002
Fig 11: Theft Deterrent System Wiring Diagram (11 Of 11)
G08915747Courtesy of © TOYOTA, LICENSE AGREEMENT TMS1002