lemon-mirror:
Home >> Lexus >> 2007 >> GS 430 >> Repair and Diagnosis >> Electrical >> Body Electrical >> OEM System Circuits >> VGRS System >> Notes

VGRS System: Notes

Fig 1: VGRS System Wiring Diagram (1 Of 6)
G08915842Courtesy of © TOYOTA, LICENSE AGREEMENT TMS1002
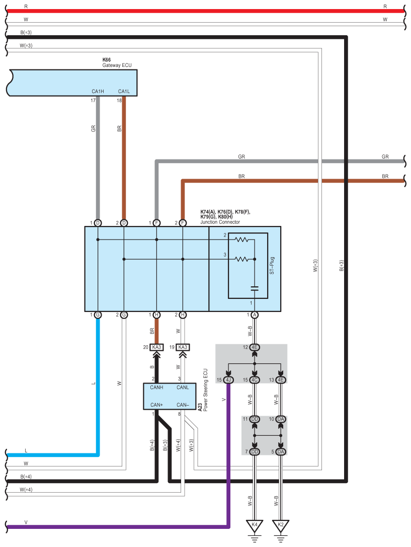
Fig 2: VGRS System Wiring Diagram (2 Of 6)
G08915843Courtesy of © TOYOTA, LICENSE AGREEMENT TMS1002
Fig 3: VGRS System Wiring Diagram (3 Of 6)
G08915844Courtesy of © TOYOTA, LICENSE AGREEMENT TMS1002
Fig 4: VGRS System Wiring Diagram (4 Of 6)
G08915845Courtesy of © TOYOTA, LICENSE AGREEMENT TMS1002
Fig 5: VGRS System Wiring Diagram (5 Of 6)
G08915846Courtesy of © TOYOTA, LICENSE AGREEMENT TMS1002
Fig 6: VGRS System Wiring Diagram (6 Of 6)
G08915847Courtesy of © TOYOTA, LICENSE AGREEMENT TMS1002