lemon-mirror:
Home >> Lexus >> 2007 >> GS 430 >> Repair and Diagnosis >> Engine Performance >> Engine Control System (3UZ-FE) >> SFI System >> EVAP System >> Wiring Diagram

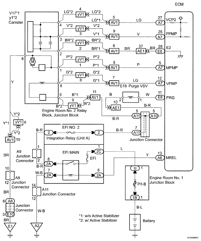
EVAP System: Wiring Diagram

Fig 1: High Speed CAN Communication Bus - Wiring Diagram
G05285623Courtesy of © TOYOTA, LICENSE AGREEMENT TMS1002