lemon-mirror:
Home >> Lexus >> 2007 >> GS 430 >> Repair and Diagnosis >> Engine Performance >> Engine Control System (3UZ-FE) >> SFI System >> System Diagram

System Diagram

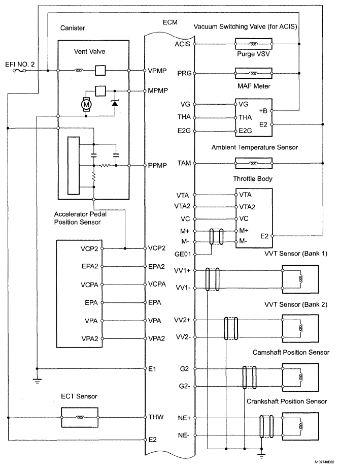
Fig 1: SFI System Diagram (1 Of 5)
G05285420Courtesy of © TOYOTA, LICENSE AGREEMENT TMS1002
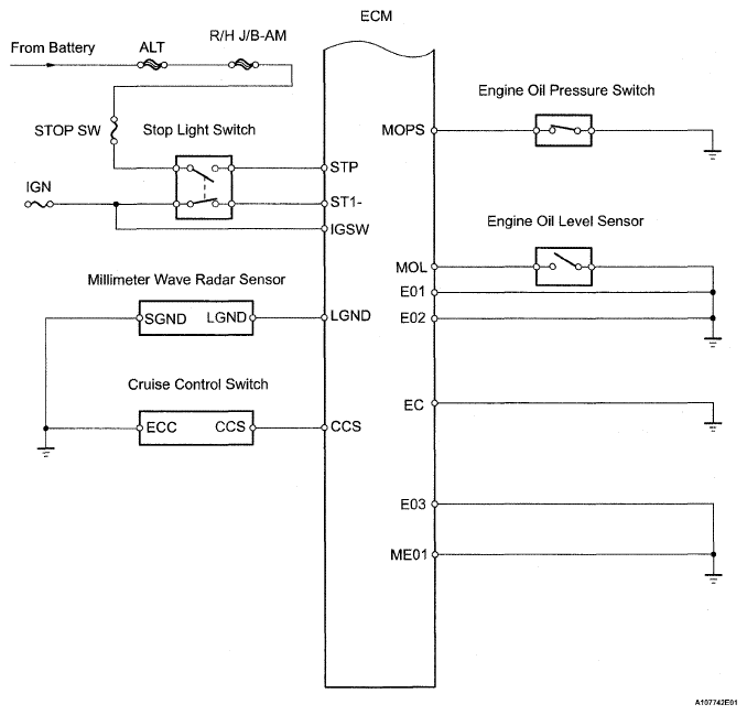
Fig 2: SFI System Diagram (2 Of 5)
G05285421Courtesy of © TOYOTA, LICENSE AGREEMENT TMS1002
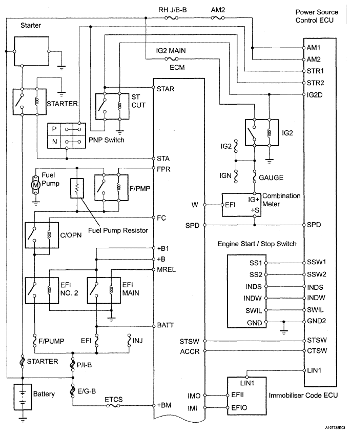
Fig 3: SFI System Diagram (3 Of 5)
G05285422Courtesy of © TOYOTA, LICENSE AGREEMENT TMS1002
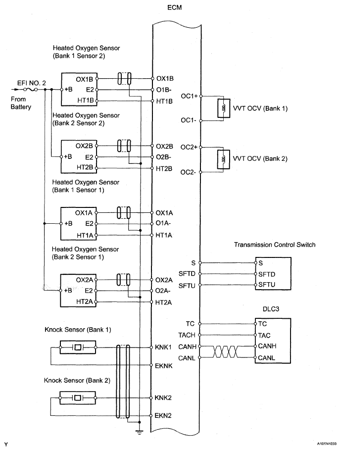
Fig 4: SFI System Diagram (4 Of 5)
G05285423Courtesy of © TOYOTA, LICENSE AGREEMENT TMS1002
Fig 5: SFI System Diagram (5 Of 5)
G05285424Courtesy of © TOYOTA, LICENSE AGREEMENT TMS1002