lemon-mirror:
Home >> Lexus >> 2007 >> GS 430 >> Repair and Diagnosis >> Engine Performance >> Engine Control System (3UZ-FE) >> SFI System >> Wiring Diagram >> Notes

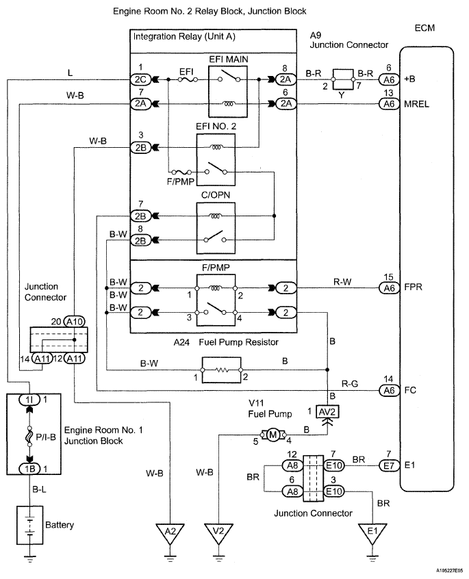
SFI System: Wiring Diagram: Notes

Fig 1: Fuel Pump Control Circuit - Wiring Diagram
G05285724Courtesy of © TOYOTA, LICENSE AGREEMENT TMS1002

This troubleshooting procedure is based on the premise that the engine is started. If the engine is not started, proceed to the PROBLEM SYMPTOMS TABLE .