lemon-mirror:
Home >> Lexus >> 2007 >> GS 430 >> Repair and Diagnosis >> Transmission >> Automatic Trans >> Automatic Transaxle >> Electronic Controlled Automatic Transmission System >> System Diagram

System Diagram

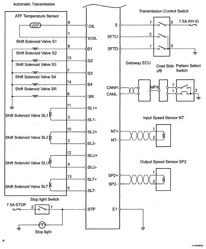
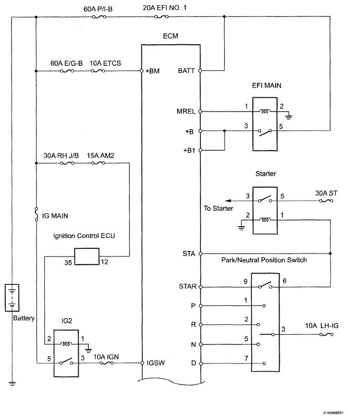
The configuration of the electronic control system in the A761E automatic transmission is as shown in the following chart.

Fig 1: Electronic Controlled Automatic Transmission System Diagram (1 Of 4)
G05295183Courtesy of © TOYOTA, LICENSE AGREEMENT TMS1002
Fig 2: Electronic Controlled Automatic Transmission System Diagram (2 Of 4)
G05295184Courtesy of © TOYOTA, LICENSE AGREEMENT TMS1002
Fig 3: Electronic Controlled Automatic Transmission System Diagram (3 Of 4)
G05295185Courtesy of © TOYOTA, LICENSE AGREEMENT TMS1002
Fig 4: Electronic Controlled Automatic Transmission System Diagram (4 Of 4)
G05295186Courtesy of © TOYOTA, LICENSE AGREEMENT TMS1002