lemon-mirror:
Home >> Lexus >> 2007 >> GS 450h >> Repair and Diagnosis >> Electrical >> Body Electrical >> OEM System Circuits >> Active Stabilizer Suspension System >> Notes

Active Stabilizer Suspension System: Notes

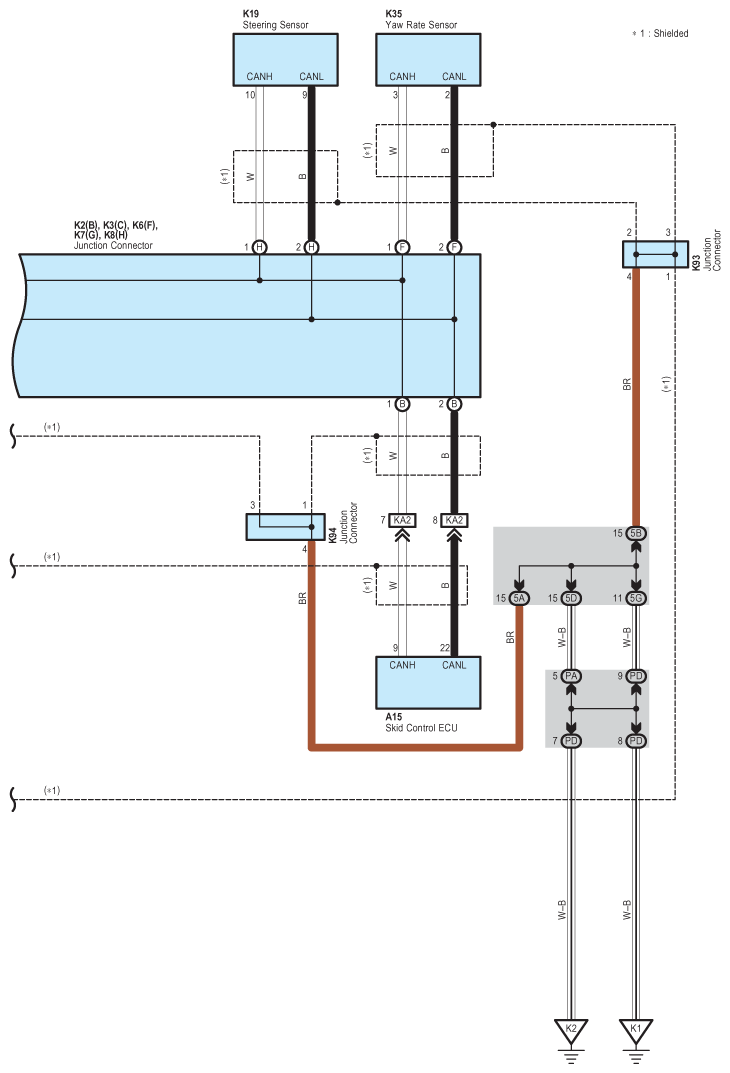
Fig 1: Active Stabilizer Suspension System Wiring Diagram (1 Of 10)
G08919628Courtesy of © TOYOTA, LICENSE AGREEMENT TMS1002
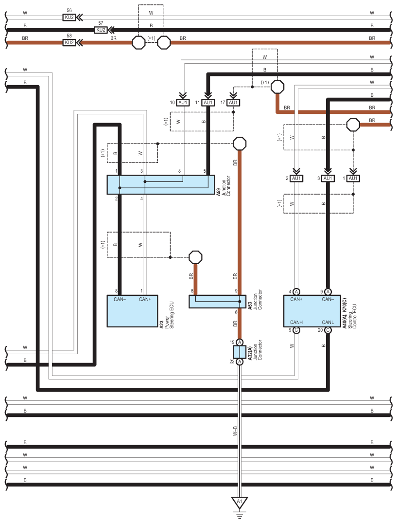
Fig 2: Active Stabilizer Suspension System Wiring Diagram (2 Of 10)
G08919629Courtesy of © TOYOTA, LICENSE AGREEMENT TMS1002
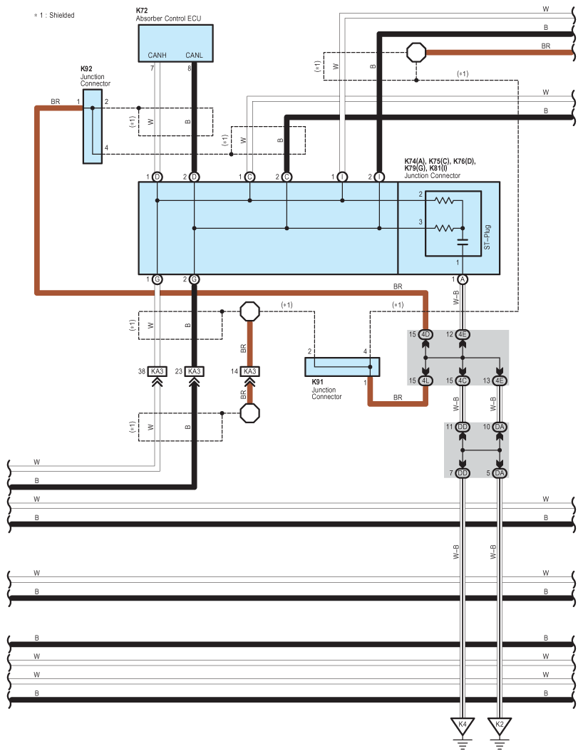
Fig 3: Active Stabilizer Suspension System Wiring Diagram (3 Of 10)
G08919630Courtesy of © TOYOTA, LICENSE AGREEMENT TMS1002
Fig 4: Active Stabilizer Suspension System Wiring Diagram (4 Of 10)
G08919631Courtesy of © TOYOTA, LICENSE AGREEMENT TMS1002
Fig 5: Active Stabilizer Suspension System Wiring Diagram (5 Of 10)
G08919632Courtesy of © TOYOTA, LICENSE AGREEMENT TMS1002
Fig 6: Active Stabilizer Suspension System Wiring Diagram (6 Of 10)
G08919633Courtesy of © TOYOTA, LICENSE AGREEMENT TMS1002
Fig 7: Active Stabilizer Suspension System Wiring Diagram (7 Of 10)
G08919634Courtesy of © TOYOTA, LICENSE AGREEMENT TMS1002
Fig 8: Active Stabilizer Suspension System Wiring Diagram (8 Of 10)
G08919635Courtesy of © TOYOTA, LICENSE AGREEMENT TMS1002
Fig 9: Active Stabilizer Suspension System Wiring Diagram (9 Of 10)
G08919636Courtesy of © TOYOTA, LICENSE AGREEMENT TMS1002
Fig 10: Active Stabilizer Suspension System Wiring Diagram (10 Of 10)
G08919637Courtesy of © TOYOTA, LICENSE AGREEMENT TMS1002