lemon-mirror:
Home >> Lexus >> 2007 >> GS 450h >> Repair and Diagnosis >> Electrical >> Body Electrical >> OEM System Circuits >> Air Conditioning >> Notes

Air Conditioning: Notes

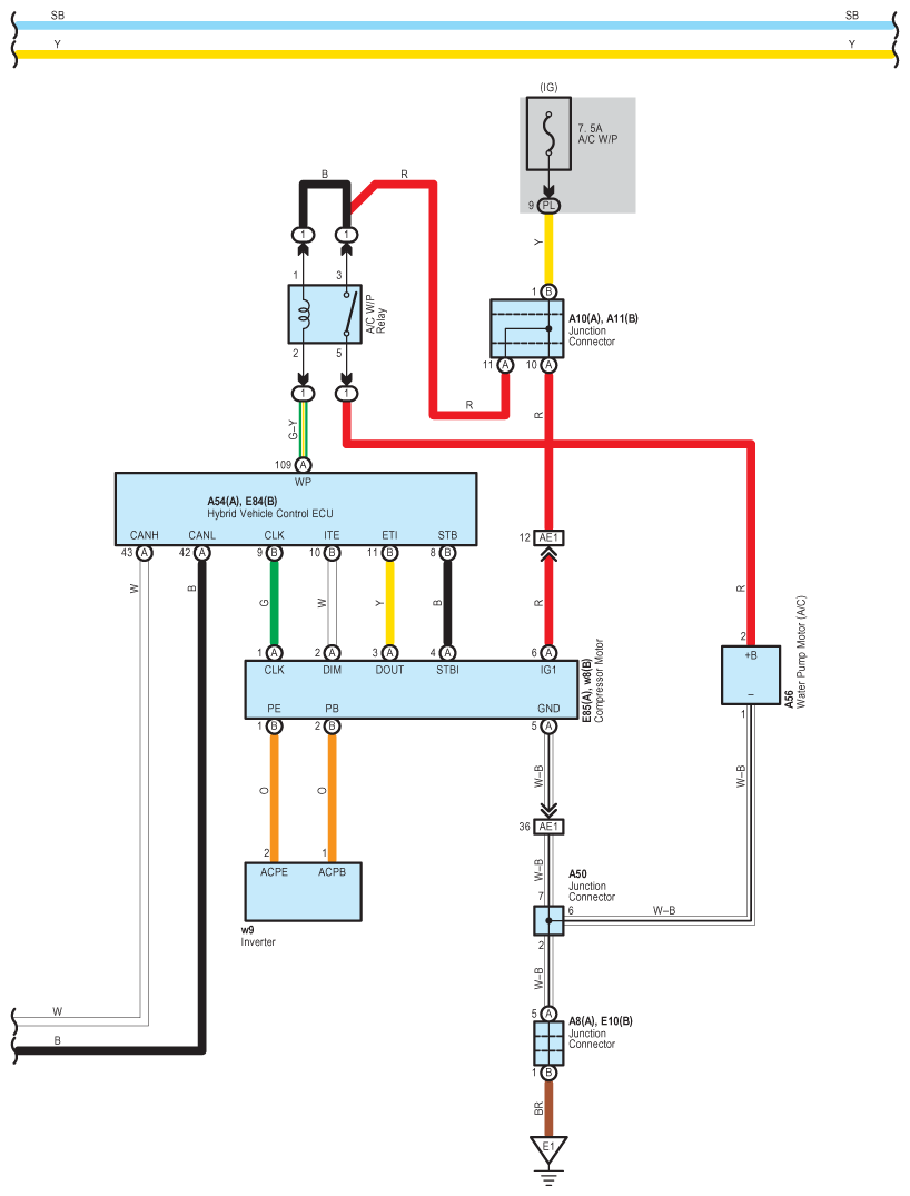
Fig 1: Air Conditioning Wiring Diagram (1 Of 8)
G08919772Courtesy of © TOYOTA, LICENSE AGREEMENT TMS1002
Fig 2: Air Conditioning Wiring Diagram (2 Of 8)
G08919773Courtesy of © TOYOTA, LICENSE AGREEMENT TMS1002
Fig 3: Air Conditioning Wiring Diagram (3 Of 8)
G08919774Courtesy of © TOYOTA, LICENSE AGREEMENT TMS1002
Fig 4: Air Conditioning Wiring Diagram (4 Of 8)
G08919775Courtesy of © TOYOTA, LICENSE AGREEMENT TMS1002
Fig 5: Air Conditioning Wiring Diagram (5 Of 8)
G08919776Courtesy of © TOYOTA, LICENSE AGREEMENT TMS1002
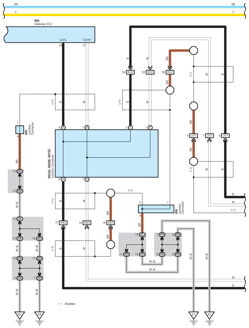
Fig 6: Air Conditioning Wiring Diagram (6 Of 8)
G08919777Courtesy of © TOYOTA, LICENSE AGREEMENT TMS1002
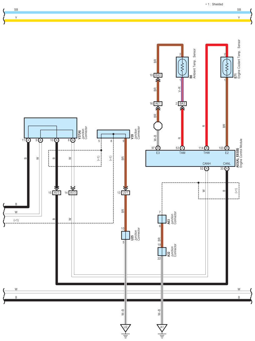
Fig 7: Air Conditioning Wiring Diagram (7 Of 8)
G08919778Courtesy of © TOYOTA, LICENSE AGREEMENT TMS1002
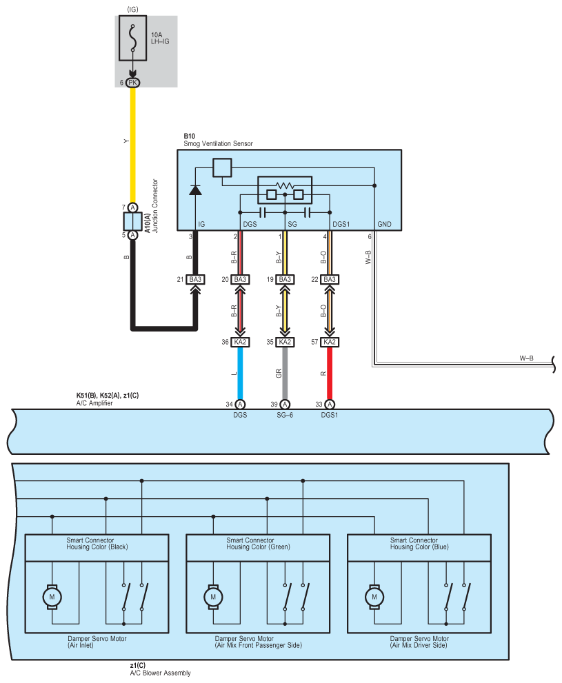
Fig 8: Air Conditioning Wiring Diagram (8 Of 8)
G08919779Courtesy of © TOYOTA, LICENSE AGREEMENT TMS1002