lemon-mirror:
Home >> Lexus >> 2007 >> GS 450h >> Repair and Diagnosis >> Electrical >> Body Electrical >> OEM System Circuits >> Climate Control Seat >> Notes

Climate Control Seat: Notes

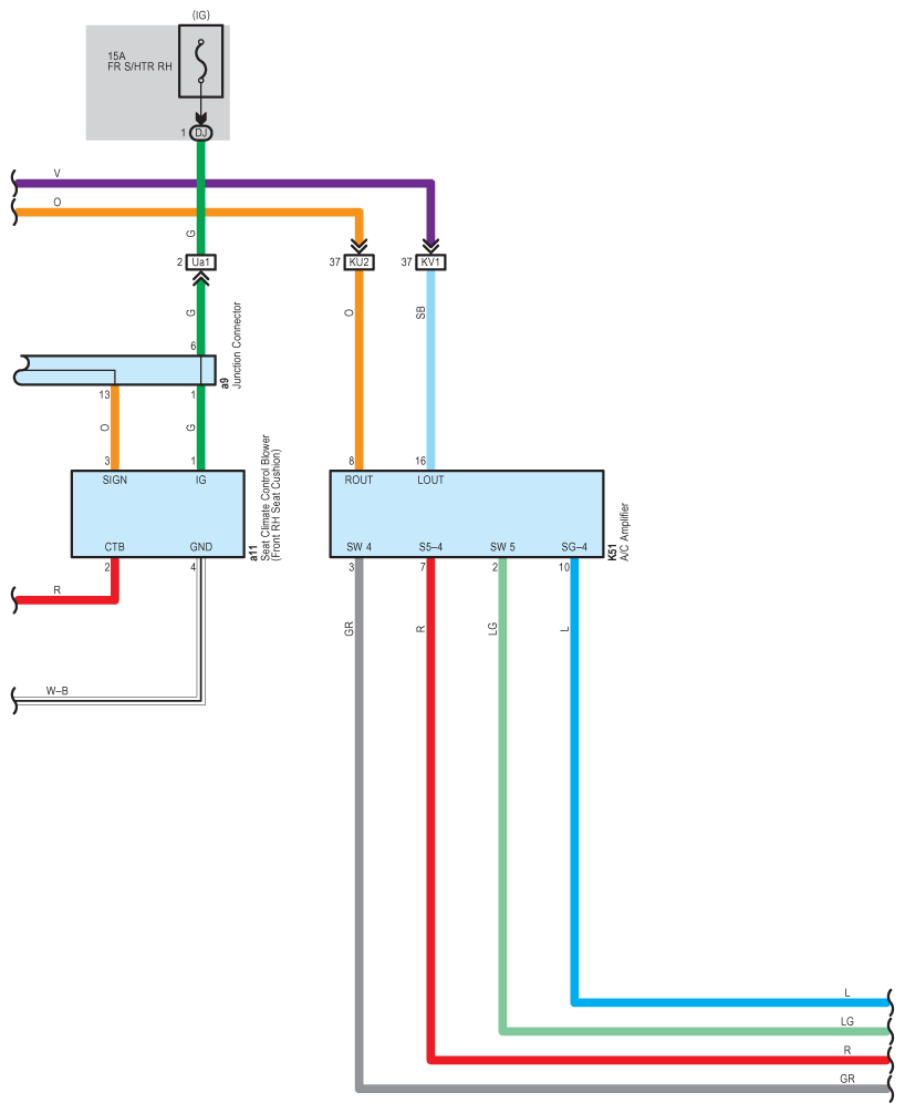
Fig 1: Climate Control Seat Wiring Diagram (1 Of 5)
G08919694Courtesy of © TOYOTA, LICENSE AGREEMENT TMS1002
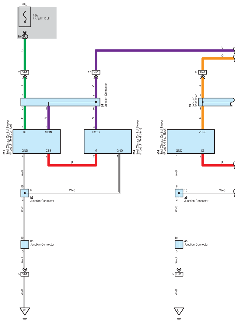
Fig 2: Climate Control Seat Wiring Diagram (2 Of 5)
G08919695Courtesy of © TOYOTA, LICENSE AGREEMENT TMS1002
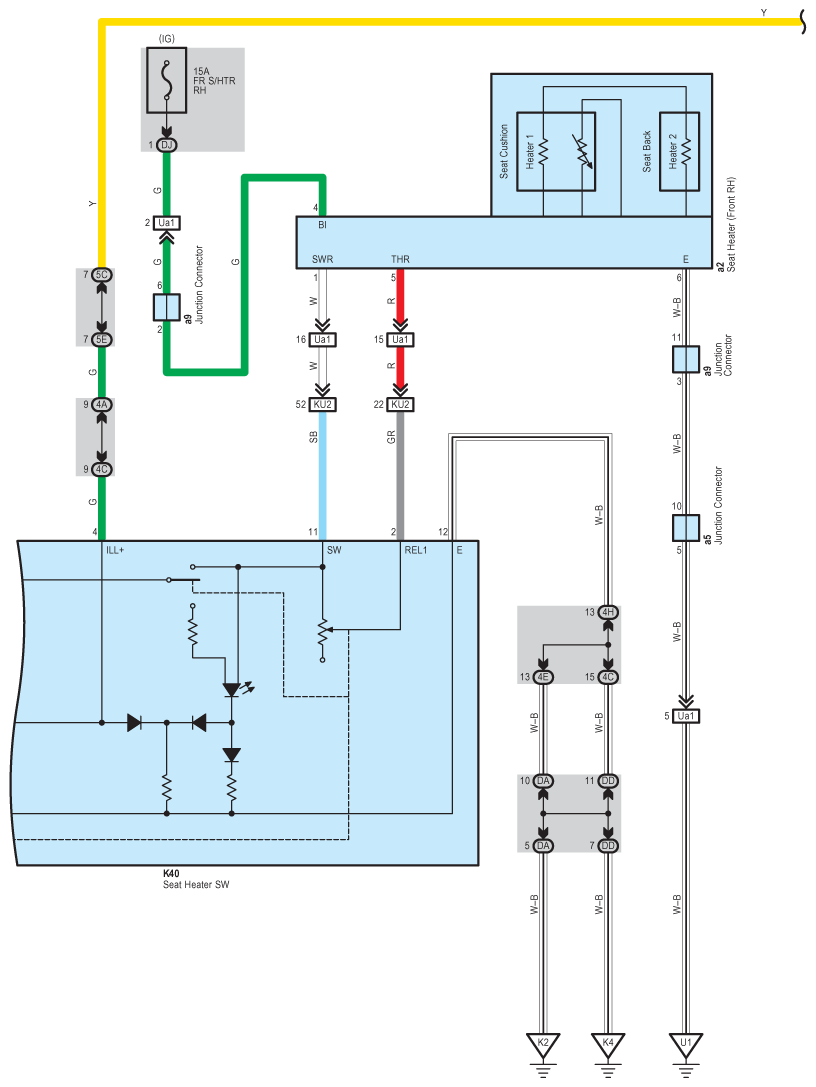
Fig 3: Climate Control Seat Wiring Diagram (3 Of 5)
G08919696Courtesy of © TOYOTA, LICENSE AGREEMENT TMS1002
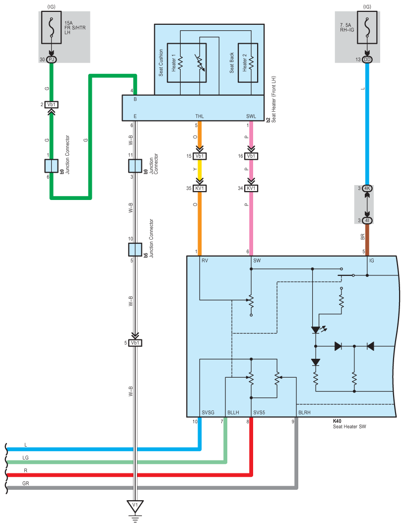
Fig 4: Climate Control Seat Wiring Diagram (4 Of 5)
G08919697Courtesy of © TOYOTA, LICENSE AGREEMENT TMS1002
Fig 5: Climate Control Seat Wiring Diagram (5 Of 5)
G08919698Courtesy of © TOYOTA, LICENSE AGREEMENT TMS1002