lemon-mirror:
Home >> Lexus >> 2007 >> GS 450h >> Repair and Diagnosis >> Electrical >> Body Electrical >> OEM System Circuits >> Dynamic Radar Cruise Control >> Notes

Dynamic Radar Cruise Control: Notes

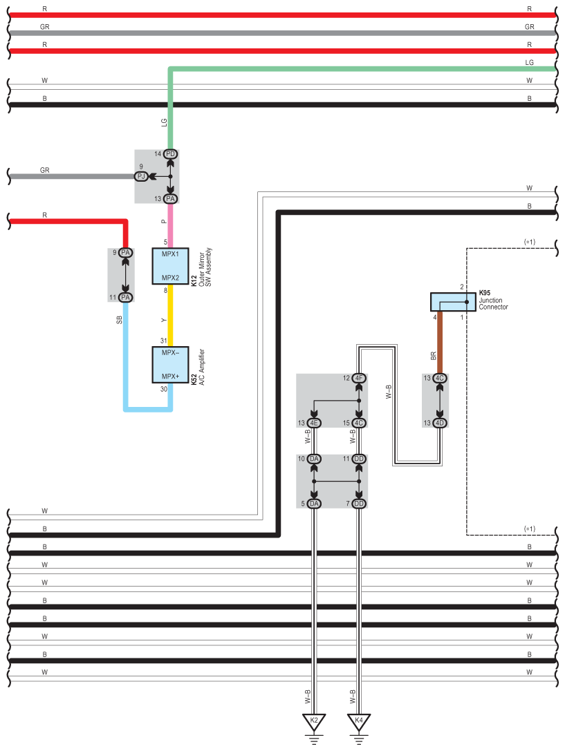
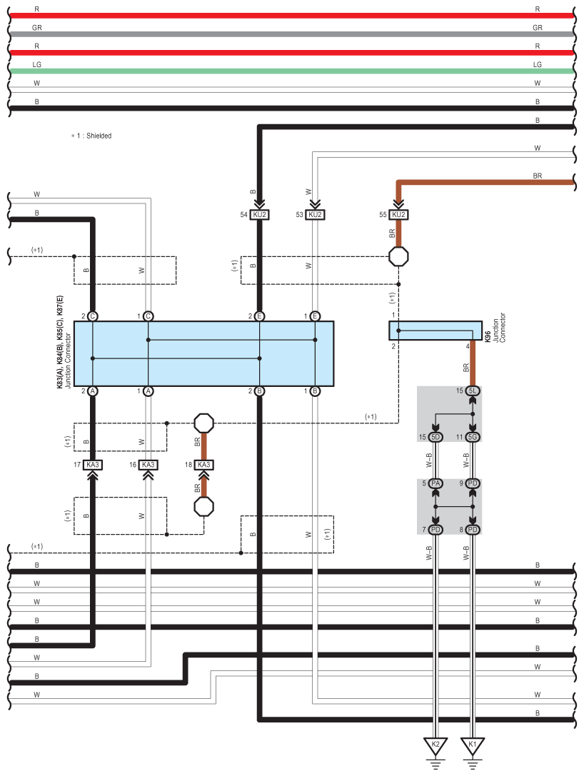
Fig 1: Dynamic Radar Cruise Control Wiring Diagram (1 Of 23)
G08919537Courtesy of © TOYOTA, LICENSE AGREEMENT TMS1002
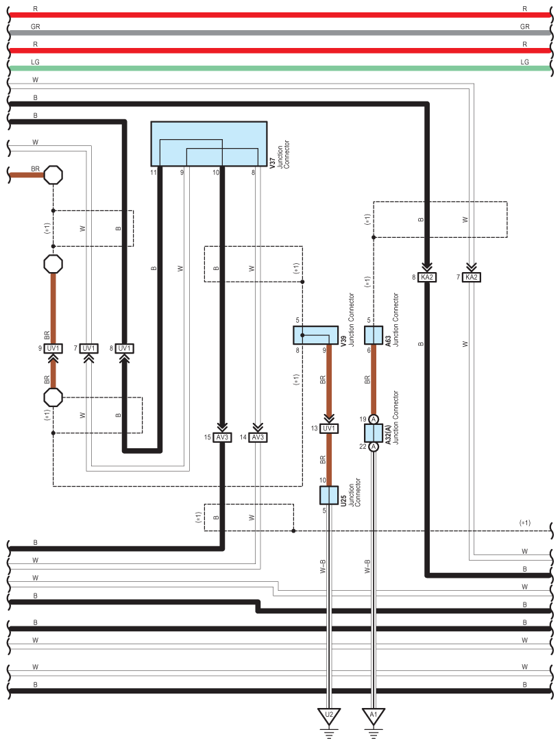
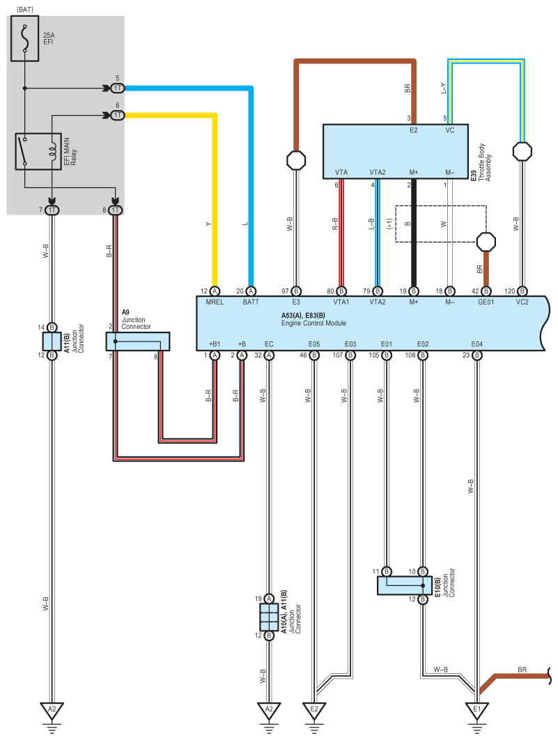
Fig 2: Dynamic Radar Cruise Control Wiring Diagram (2 Of 23)
G08919538Courtesy of © TOYOTA, LICENSE AGREEMENT TMS1002
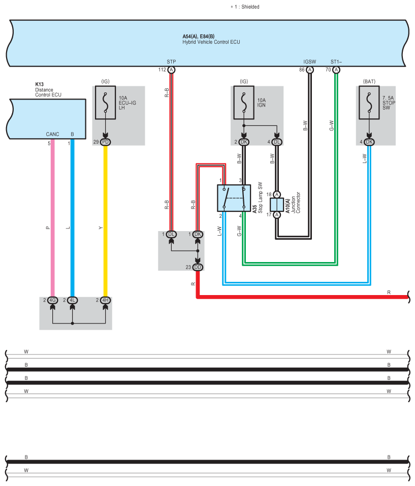
Fig 3: Dynamic Radar Cruise Control Wiring Diagram (3 Of 23)
G08919539Courtesy of © TOYOTA, LICENSE AGREEMENT TMS1002
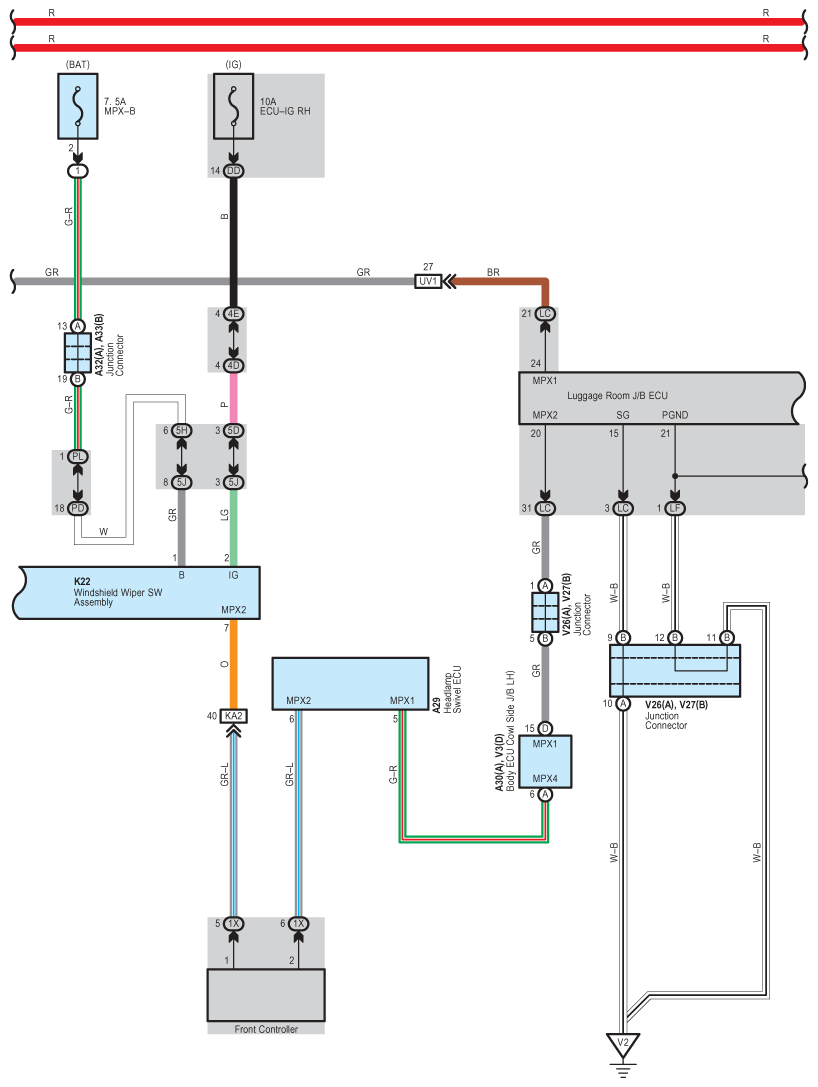
Fig 4: Dynamic Radar Cruise Control Wiring Diagram (4 Of 23)
G08919540Courtesy of © TOYOTA, LICENSE AGREEMENT TMS1002
Fig 5: Dynamic Radar Cruise Control Wiring Diagram (5 Of 23)
G08919541Courtesy of © TOYOTA, LICENSE AGREEMENT TMS1002
Fig 6: Dynamic Radar Cruise Control Wiring Diagram (6 Of 23)
G08919542Courtesy of © TOYOTA, LICENSE AGREEMENT TMS1002
Fig 7: Dynamic Radar Cruise Control Wiring Diagram (7 Of 23)
G08919543Courtesy of © TOYOTA, LICENSE AGREEMENT TMS1002
Fig 8: Dynamic Radar Cruise Control Wiring Diagram (8 Of 23)
G08919544Courtesy of © TOYOTA, LICENSE AGREEMENT TMS1002
Fig 9: Dynamic Radar Cruise Control Wiring Diagram (9 Of 23)
G08919545Courtesy of © TOYOTA, LICENSE AGREEMENT TMS1002
Fig 10: Dynamic Radar Cruise Control Wiring Diagram (10 Of 23)
G08919546Courtesy of © TOYOTA, LICENSE AGREEMENT TMS1002
Fig 11: Dynamic Radar Cruise Control Wiring Diagram (11 Of 23)
G08919547Courtesy of © TOYOTA, LICENSE AGREEMENT TMS1002
Fig 12: Dynamic Radar Cruise Control Wiring Diagram (12 Of 23)
G08919548Courtesy of © TOYOTA, LICENSE AGREEMENT TMS1002
Fig 13: Dynamic Radar Cruise Control Wiring Diagram (13 Of 23)
G08919549Courtesy of © TOYOTA, LICENSE AGREEMENT TMS1002
Fig 14: Dynamic Radar Cruise Control Wiring Diagram (14 Of 23)
G08919550Courtesy of © TOYOTA, LICENSE AGREEMENT TMS1002
Fig 15: Dynamic Radar Cruise Control Wiring Diagram (15 Of 23)
G08919551Courtesy of © TOYOTA, LICENSE AGREEMENT TMS1002
Fig 16: Dynamic Radar Cruise Control Wiring Diagram (16 Of 23)
G08919552Courtesy of © TOYOTA, LICENSE AGREEMENT TMS1002
Fig 17: Dynamic Radar Cruise Control Wiring Diagram (17 Of 23)
G08919553Courtesy of © TOYOTA, LICENSE AGREEMENT TMS1002
Fig 18: Dynamic Radar Cruise Control Wiring Diagram (18 Of 23)
G08919554Courtesy of © TOYOTA, LICENSE AGREEMENT TMS1002
Fig 19: Dynamic Radar Cruise Control Wiring Diagram (19 Of 23)
G08919555Courtesy of © TOYOTA, LICENSE AGREEMENT TMS1002
Fig 20: Dynamic Radar Cruise Control Wiring Diagram (20 Of 23)
G08919556Courtesy of © TOYOTA, LICENSE AGREEMENT TMS1002
Fig 21: Dynamic Radar Cruise Control Wiring Diagram (21 Of 23)
G08919557Courtesy of © TOYOTA, LICENSE AGREEMENT TMS1002
Fig 22: Dynamic Radar Cruise Control Wiring Diagram (22 Of 23)
G08919558Courtesy of © TOYOTA, LICENSE AGREEMENT TMS1002
Fig 23: Dynamic Radar Cruise Control Wiring Diagram (23 Of 23)
G08919559Courtesy of © TOYOTA, LICENSE AGREEMENT TMS1002