lemon-mirror:
Home >> Lexus >> 2007 >> GS 450h >> Repair and Diagnosis >> Electrical >> Body Electrical >> OEM System Circuits >> EPS >> Notes

OEM System Circuits: EPS: Notes

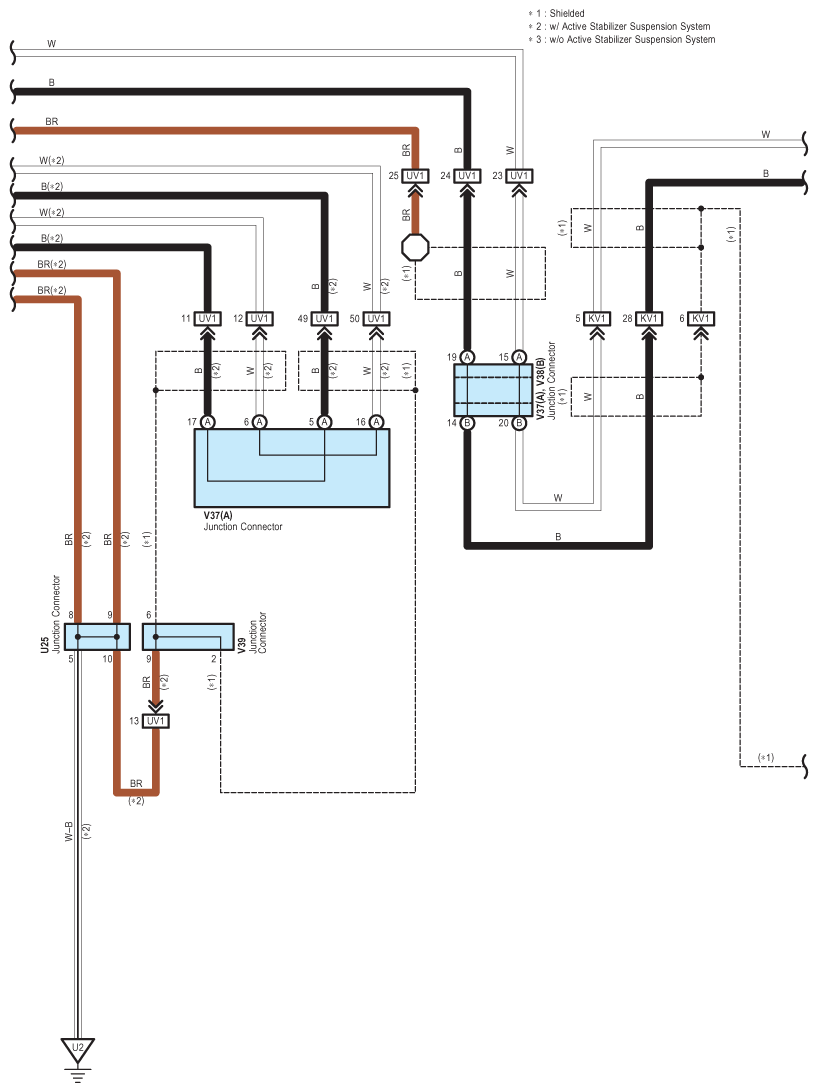
Fig 1: EPS Wiring Diagram (1 Of 7)
G08919591Courtesy of © TOYOTA, LICENSE AGREEMENT TMS1002
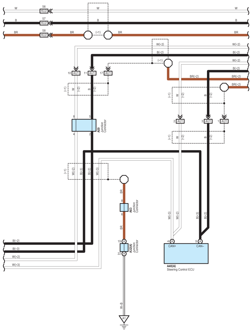
Fig 2: EPS Wiring Diagram (2 Of 7)
G08919592Courtesy of © TOYOTA, LICENSE AGREEMENT TMS1002
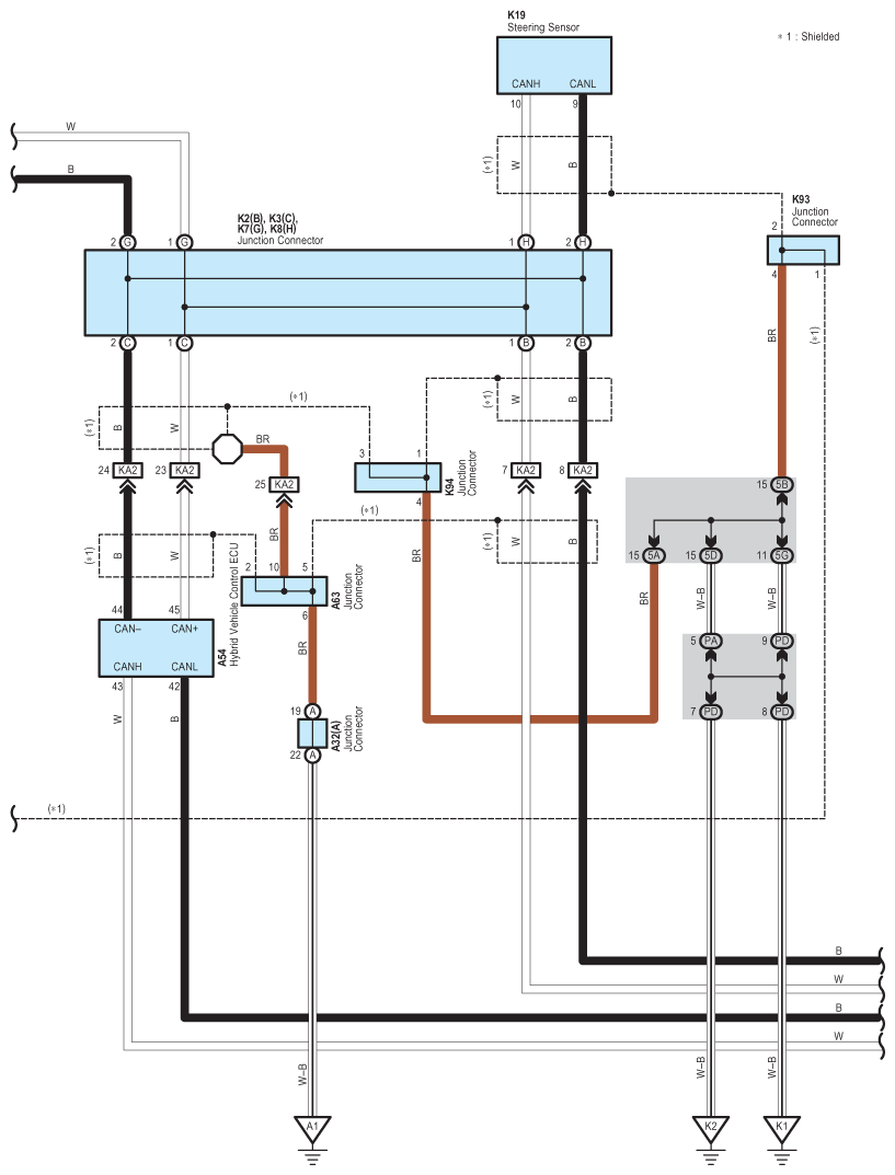
Fig 3: EPS Wiring Diagram (3 Of 7)
G08919593Courtesy of © TOYOTA, LICENSE AGREEMENT TMS1002
Fig 4: EPS Wiring Diagram (4 Of 7)
G08919594Courtesy of © TOYOTA, LICENSE AGREEMENT TMS1002
Fig 5: EPS Wiring Diagram (5 Of 7)
G08919595Courtesy of © TOYOTA, LICENSE AGREEMENT TMS1002
Fig 6: EPS Wiring Diagram (6 Of 7)
G08919596Courtesy of © TOYOTA, LICENSE AGREEMENT TMS1002
Fig 7: EPS Wiring Diagram (7 Of 7)
G08919597Courtesy of © TOYOTA, LICENSE AGREEMENT TMS1002