lemon-mirror:
Home >> Lexus >> 2007 >> GS 450h >> Repair and Diagnosis >> Electrical >> Body Electrical >> OEM System Circuits >> Front Fog Light >> Notes

Front Fog Light: Notes

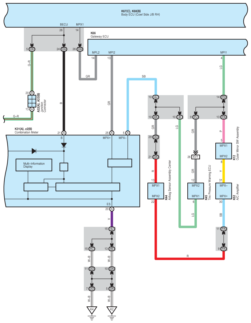
Fig 1: Front Fog Light Wiring Diagram (1 Of 5)
G08919481Courtesy of © TOYOTA, LICENSE AGREEMENT TMS1002
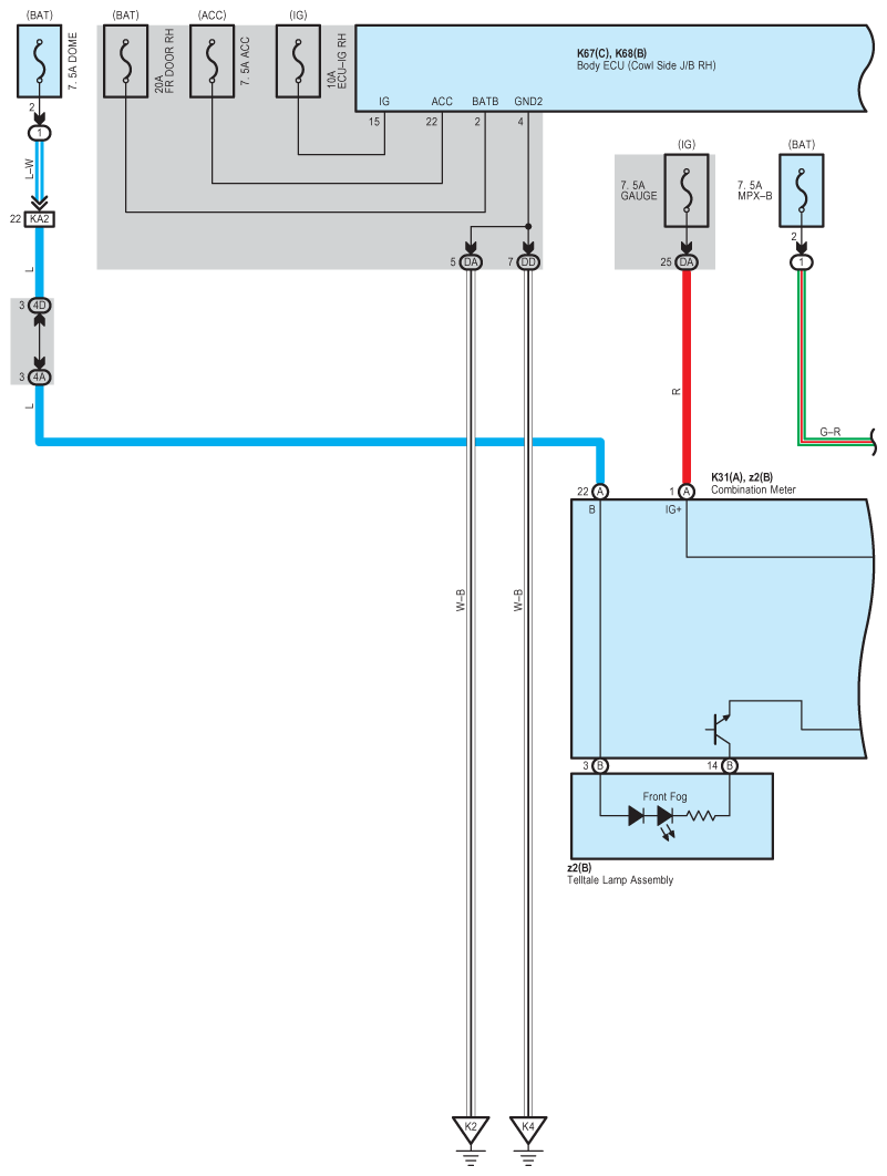
Fig 2: Front Fog Light Wiring Diagram (2 Of 5)
G08919482Courtesy of © TOYOTA, LICENSE AGREEMENT TMS1002
Fig 3: Front Fog Light Wiring Diagram (3 Of 5)
G08919483Courtesy of © TOYOTA, LICENSE AGREEMENT TMS1002
Fig 4: Front Fog Light Wiring Diagram (4 Of 5)
G08919484Courtesy of © TOYOTA, LICENSE AGREEMENT TMS1002
Fig 5: Front Fog Light Wiring Diagram (5 Of 5)
G08919485Courtesy of © TOYOTA, LICENSE AGREEMENT TMS1002