lemon-mirror:
Home >> Lexus >> 2007 >> GS 450h >> Repair and Diagnosis >> Electrical >> Body Electrical >> OEM System Circuits >> Headlight Cleaner >> Notes

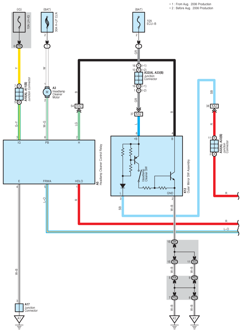
Headlight Cleaner: Notes

Fig 1: Headlight Cleaner Wiring Diagram (1 Of 2)
G08919498Courtesy of © TOYOTA, LICENSE AGREEMENT TMS1002
Fig 2: Headlight Cleaner Wiring Diagram (2 Of 2)
G08919499Courtesy of © TOYOTA, LICENSE AGREEMENT TMS1002