lemon-mirror:
Home >> Lexus >> 2007 >> GS 450h >> Repair and Diagnosis >> Electrical >> Body Electrical >> OEM System Circuits >> Ignition >> Notes

OEM System Circuits: Ignition: Notes

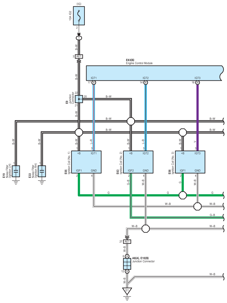
Fig 1: Ignition Wiring Diagram (1 Of 2)
G08919381Courtesy of © TOYOTA, LICENSE AGREEMENT TMS1002
Fig 2: Ignition Wiring Diagram (2 Of 2)
G08919382Courtesy of © TOYOTA, LICENSE AGREEMENT TMS1002