lemon-mirror:
Home >> Lexus >> 2007 >> GS 450h >> Repair and Diagnosis >> Electrical >> Body Electrical >> OEM System Circuits >> Illumination >> Notes

OEM System Circuits: Illumination: Notes

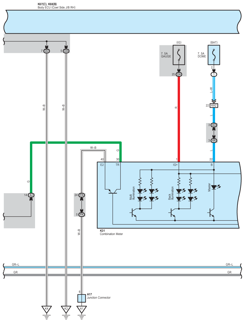
Fig 1: Illumination Wiring Diagram (1 Of 10)
G08919467Courtesy of © TOYOTA, LICENSE AGREEMENT TMS1002
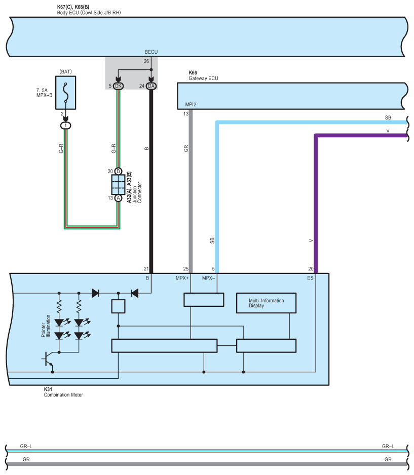
Fig 2: Illumination Wiring Diagram (2 Of 10)
G08919468Courtesy of © TOYOTA, LICENSE AGREEMENT TMS1002
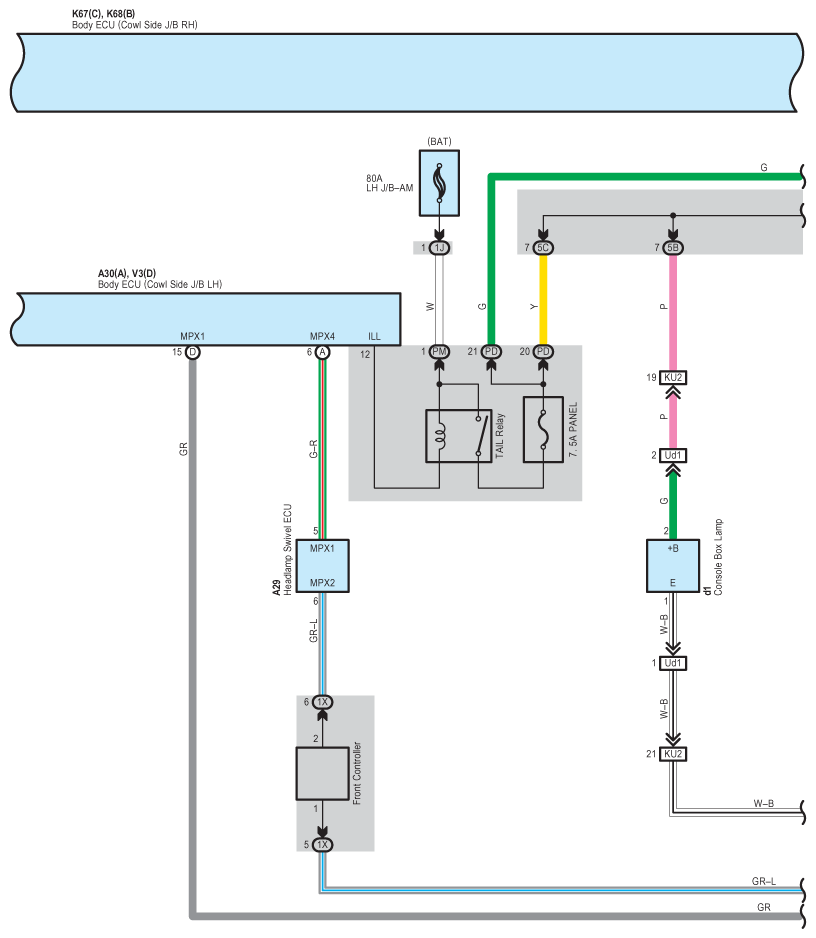
Fig 3: Illumination Wiring Diagram (3 Of 10)
G08919469Courtesy of © TOYOTA, LICENSE AGREEMENT TMS1002
Fig 4: Illumination Wiring Diagram (4 Of 10)
G08919470Courtesy of © TOYOTA, LICENSE AGREEMENT TMS1002
Fig 5: Illumination Wiring Diagram (5 Of 10)
G08919471Courtesy of © TOYOTA, LICENSE AGREEMENT TMS1002
Fig 6: Illumination Wiring Diagram (6 Of 10)
G08919472Courtesy of © TOYOTA, LICENSE AGREEMENT TMS1002
Fig 7: Illumination Wiring Diagram (7 Of 10)
G08919473Courtesy of © TOYOTA, LICENSE AGREEMENT TMS1002
Fig 8: Illumination Wiring Diagram (8 Of 10)
G08919474Courtesy of © TOYOTA, LICENSE AGREEMENT TMS1002
Fig 9: Illumination Wiring Diagram (9 Of 10)
G08919475Courtesy of © TOYOTA, LICENSE AGREEMENT TMS1002
Fig 10: Illumination Wiring Diagram (10 Of 10)
G08919476Courtesy of © TOYOTA, LICENSE AGREEMENT TMS1002