lemon-mirror:
Home >> Lexus >> 2007 >> GS 450h >> Repair and Diagnosis >> Electrical >> Body Electrical >> OEM System Circuits >> Mirror Heater >> Notes

Mirror Heater: Notes

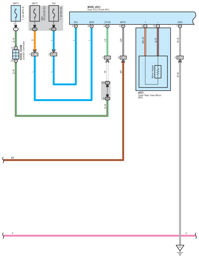
Fig 1: Mirror Heater Wiring Diagram (1 Of 3)
G08919711Courtesy of © TOYOTA, LICENSE AGREEMENT TMS1002
Fig 2: Mirror Heater Wiring Diagram (2 Of 3)
G08919712Courtesy of © TOYOTA, LICENSE AGREEMENT TMS1002
Fig 3: Mirror Heater Wiring Diagram (3 Of 3)
G08919713Courtesy of © TOYOTA, LICENSE AGREEMENT TMS1002