lemon-mirror:
Home >> Lexus >> 2007 >> GS 450h >> Repair and Diagnosis >> Electrical >> Body Electrical >> OEM System Circuits >> Pre-Collision System >> Notes

Pre-Collision System: Notes

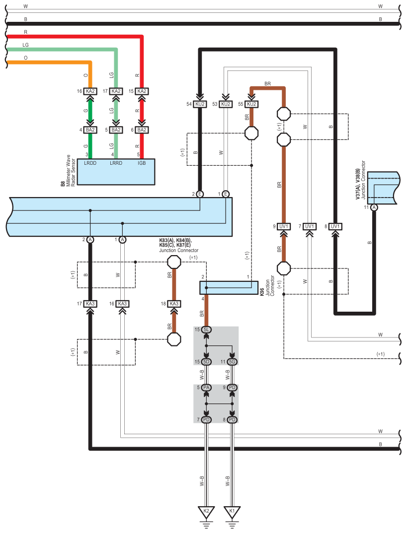
Fig 1: Pre-Collision System Wiring Diagram (1 Of 10)
G08919618Courtesy of © TOYOTA, LICENSE AGREEMENT TMS1002
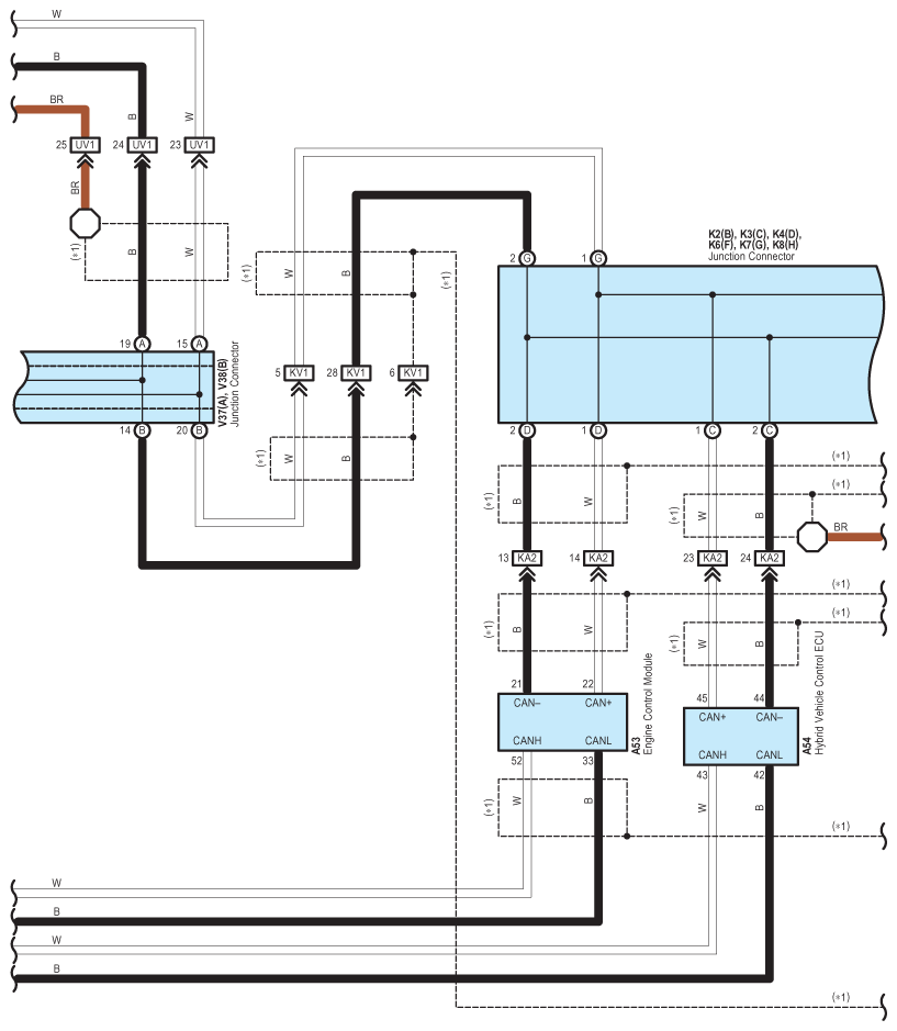
Fig 2: Pre-Collision System Wiring Diagram (2 Of 10)
G08919619Courtesy of © TOYOTA, LICENSE AGREEMENT TMS1002
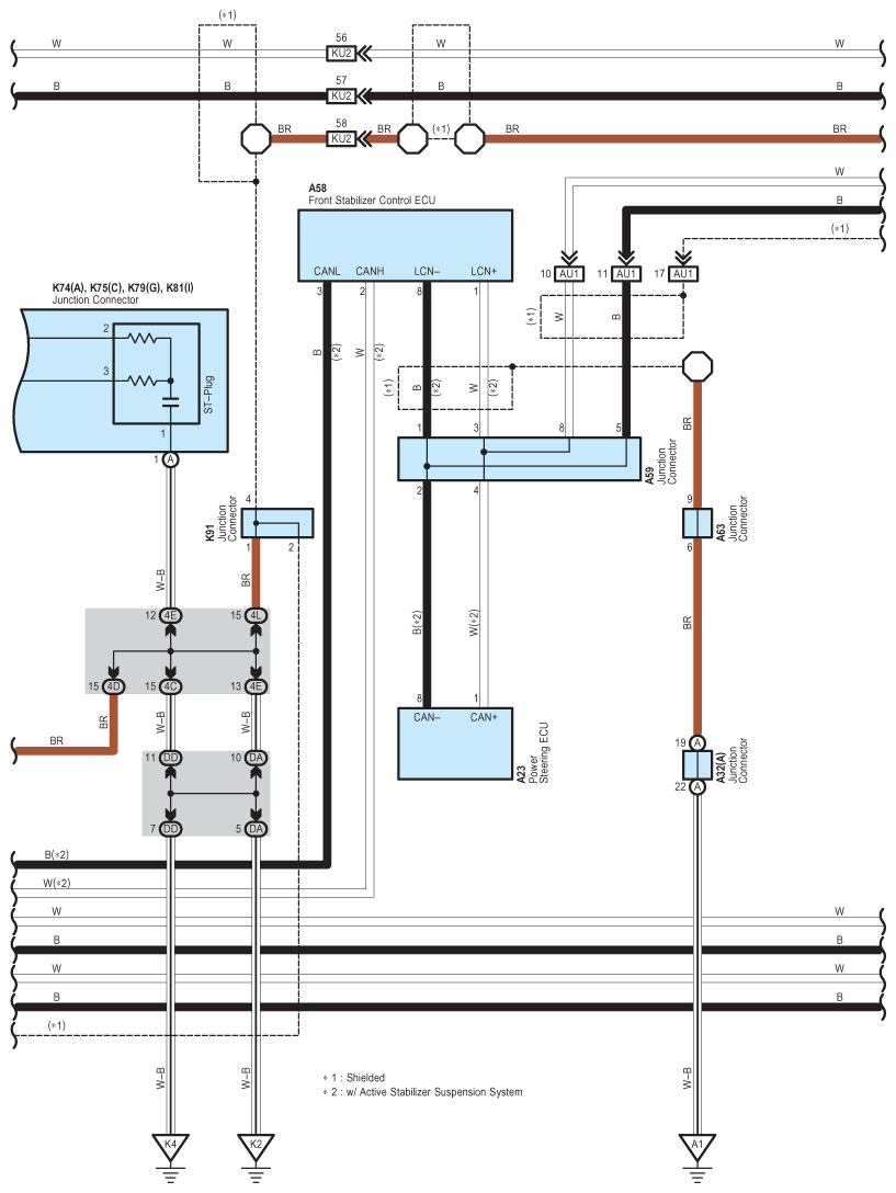
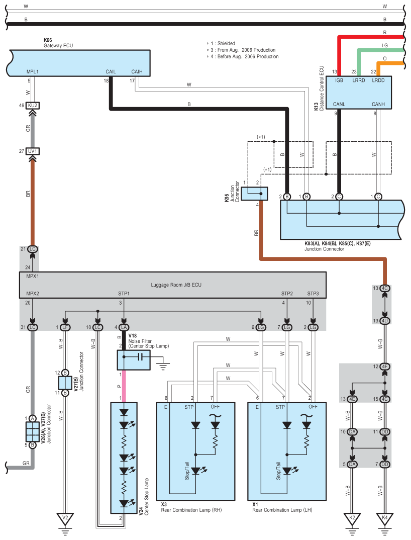
Fig 3: Pre-Collision System Wiring Diagram (3 Of 10)
G08919620Courtesy of © TOYOTA, LICENSE AGREEMENT TMS1002
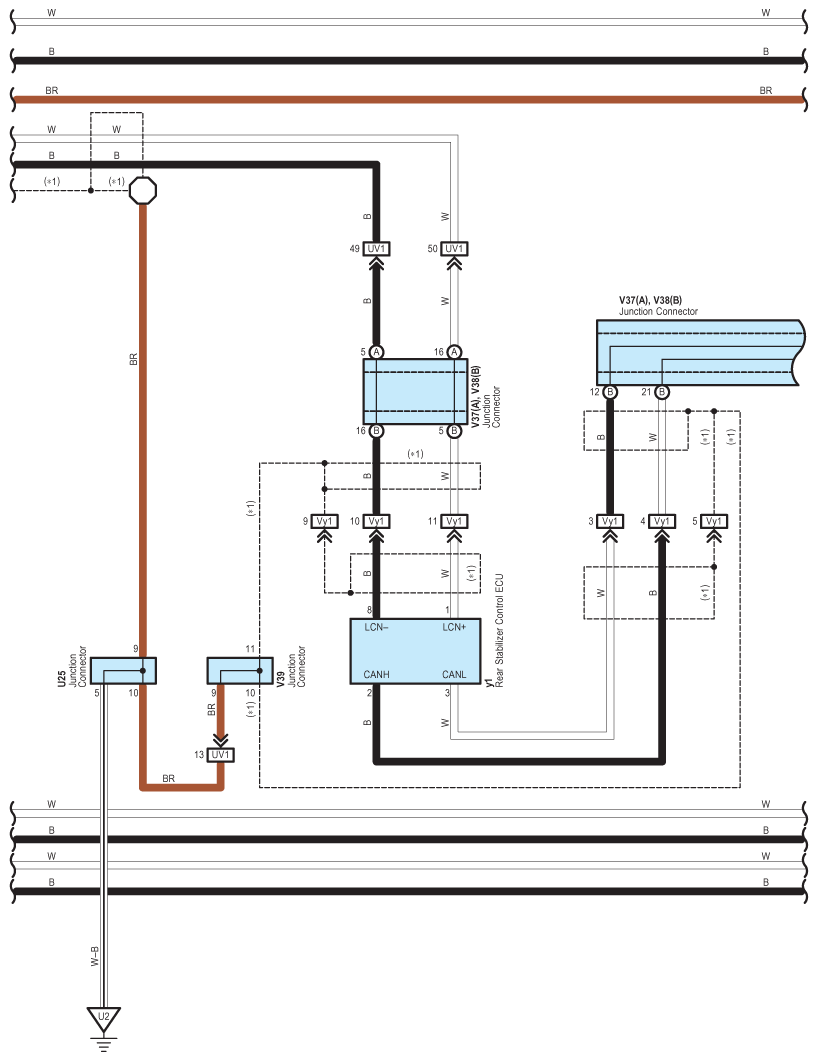
Fig 4: Pre-Collision System Wiring Diagram (4 Of 10)
G08919621Courtesy of © TOYOTA, LICENSE AGREEMENT TMS1002
Fig 5: Pre-Collision System Wiring Diagram (5 Of 10)
G08919622Courtesy of © TOYOTA, LICENSE AGREEMENT TMS1002
Fig 6: Pre-Collision System Wiring Diagram (6 Of 10)
G08919623Courtesy of © TOYOTA, LICENSE AGREEMENT TMS1002
Fig 7: Pre-Collision System Wiring Diagram (7 Of 10)
G08919624Courtesy of © TOYOTA, LICENSE AGREEMENT TMS1002
Fig 8: Pre-Collision System Wiring Diagram (8 Of 10)
G08919625Courtesy of © TOYOTA, LICENSE AGREEMENT TMS1002
Fig 9: Pre-Collision System Wiring Diagram (9 Of 10)
G08919626Courtesy of © TOYOTA, LICENSE AGREEMENT TMS1002
Fig 10: Pre-Collision System Wiring Diagram (10 Of 10)
G08919627Courtesy of © TOYOTA, LICENSE AGREEMENT TMS1002