lemon-mirror:
Home >> Lexus >> 2007 >> GS 450h >> Repair and Diagnosis >> Electrical >> Body Electrical >> OEM System Circuits >> Rear Sunshade >> Notes

Rear Sunshade: Notes

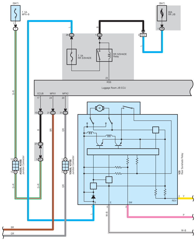
Fig 1: Rear Sunshade Wiring Diagram (1 Of 4)
G08919664Courtesy of © TOYOTA, LICENSE AGREEMENT TMS1002
Fig 2: Rear Sunshade Wiring Diagram (2 Of 4)
G08919665Courtesy of © TOYOTA, LICENSE AGREEMENT TMS1002
Fig 3: Rear Sunshade Wiring Diagram (3 Of 4)
G08919666Courtesy of © TOYOTA, LICENSE AGREEMENT TMS1002
Fig 4: Rear Sunshade Wiring Diagram (4 Of 4)
G08919667Courtesy of © TOYOTA, LICENSE AGREEMENT TMS1002