lemon-mirror:
Home >> Lexus >> 2007 >> GS 450h >> Repair and Diagnosis >> Electrical >> Body Electrical >> OEM System Circuits >> Shift Lock >> Notes

Shift Lock: Notes

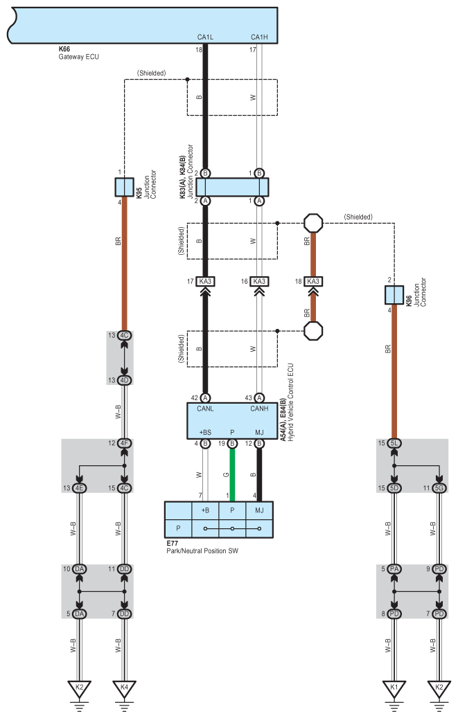
Fig 1: Shift Lock Wiring Diagram (1 Of 3)
G08919661Courtesy of © TOYOTA, LICENSE AGREEMENT TMS1002
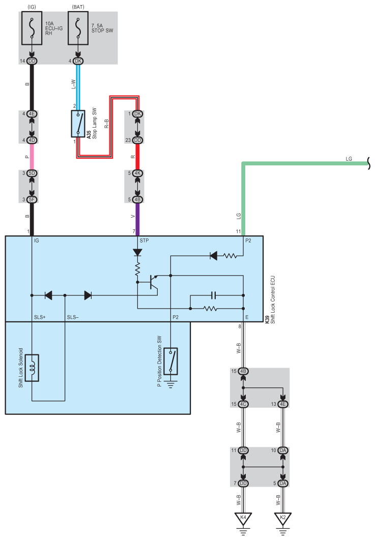
Fig 2: Shift Lock Wiring Diagram (2 Of 3)
G08919662Courtesy of © TOYOTA, LICENSE AGREEMENT TMS1002
Fig 3: Shift Lock Wiring Diagram (3 Of 3)
G08919663Courtesy of © TOYOTA, LICENSE AGREEMENT TMS1002