lemon-mirror:
Home >> Lexus >> 2007 >> GS 450h >> Repair and Diagnosis >> Electrical >> Body Electrical >> OEM System Circuits >> Taillight >> Notes

OEM System Circuits: Taillight: Notes

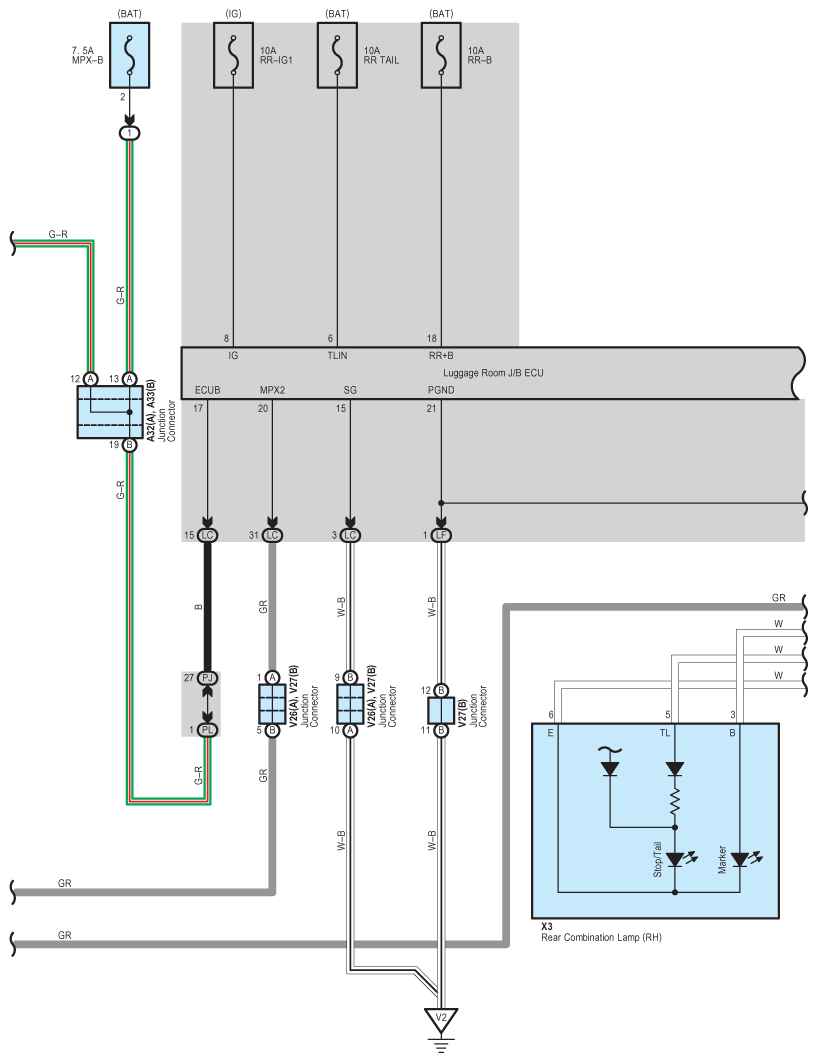
Fig 1: Taillight Wiring Diagram (1 Of 7)
G08919460Courtesy of © TOYOTA, LICENSE AGREEMENT TMS1002
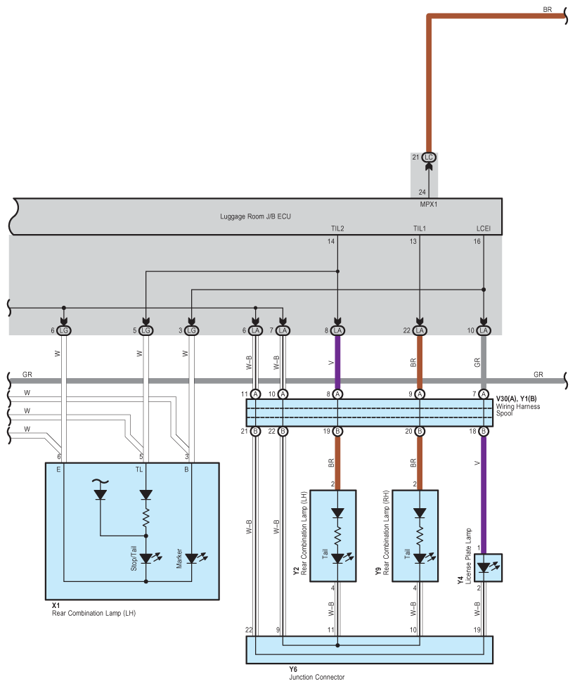
Fig 2: Taillight Wiring Diagram (2 Of 7)
G08919461Courtesy of © TOYOTA, LICENSE AGREEMENT TMS1002
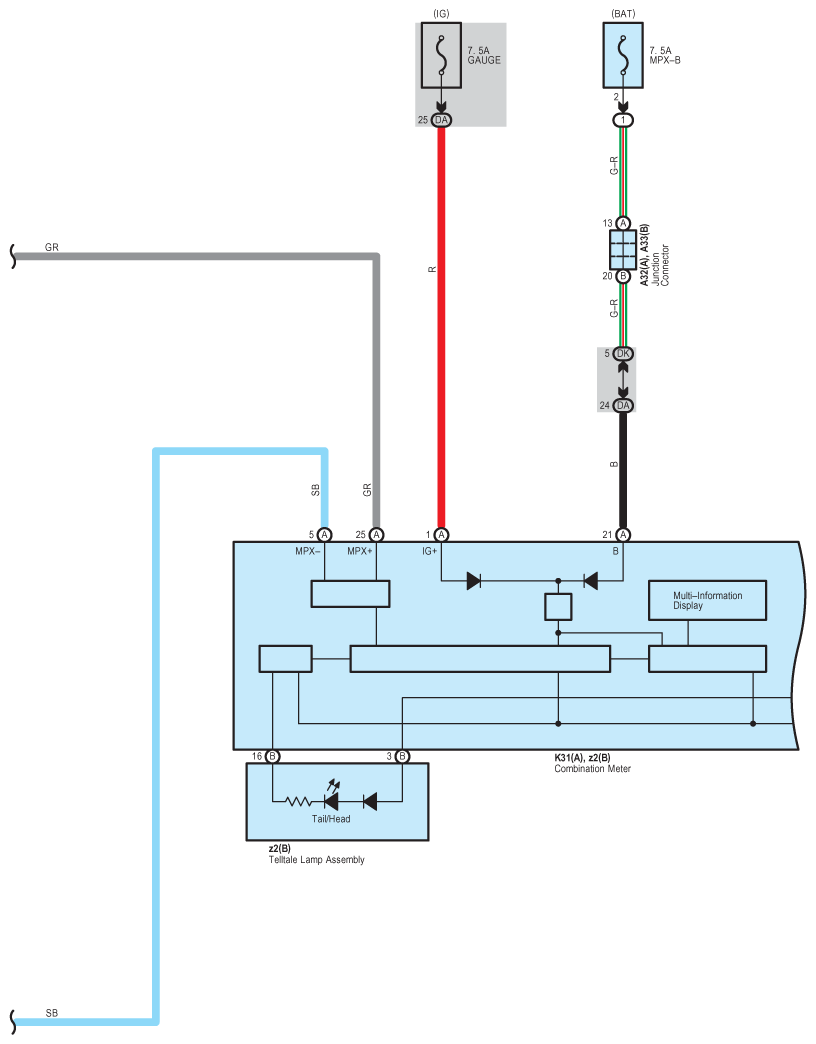
Fig 3: Taillight Wiring Diagram (3 Of 7)
G08919462Courtesy of © TOYOTA, LICENSE AGREEMENT TMS1002
Fig 4: Taillight Wiring Diagram (4 Of 7)
G08919463Courtesy of © TOYOTA, LICENSE AGREEMENT TMS1002
Fig 5: Taillight Wiring Diagram (5 Of 7)
G08919464Courtesy of © TOYOTA, LICENSE AGREEMENT TMS1002
Fig 6: Taillight Wiring Diagram (6 Of 7)
G08919465Courtesy of © TOYOTA, LICENSE AGREEMENT TMS1002
Fig 7: Taillight Wiring Diagram (7 Of 7)
G08919466Courtesy of © TOYOTA, LICENSE AGREEMENT TMS1002