lemon-mirror:
Home >> Lexus >> 2007 >> GS 450h >> Repair and Diagnosis >> Electrical >> Body Electrical >> OEM System Circuits >> Theft Deterrent >> Notes

Theft Deterrent: Notes

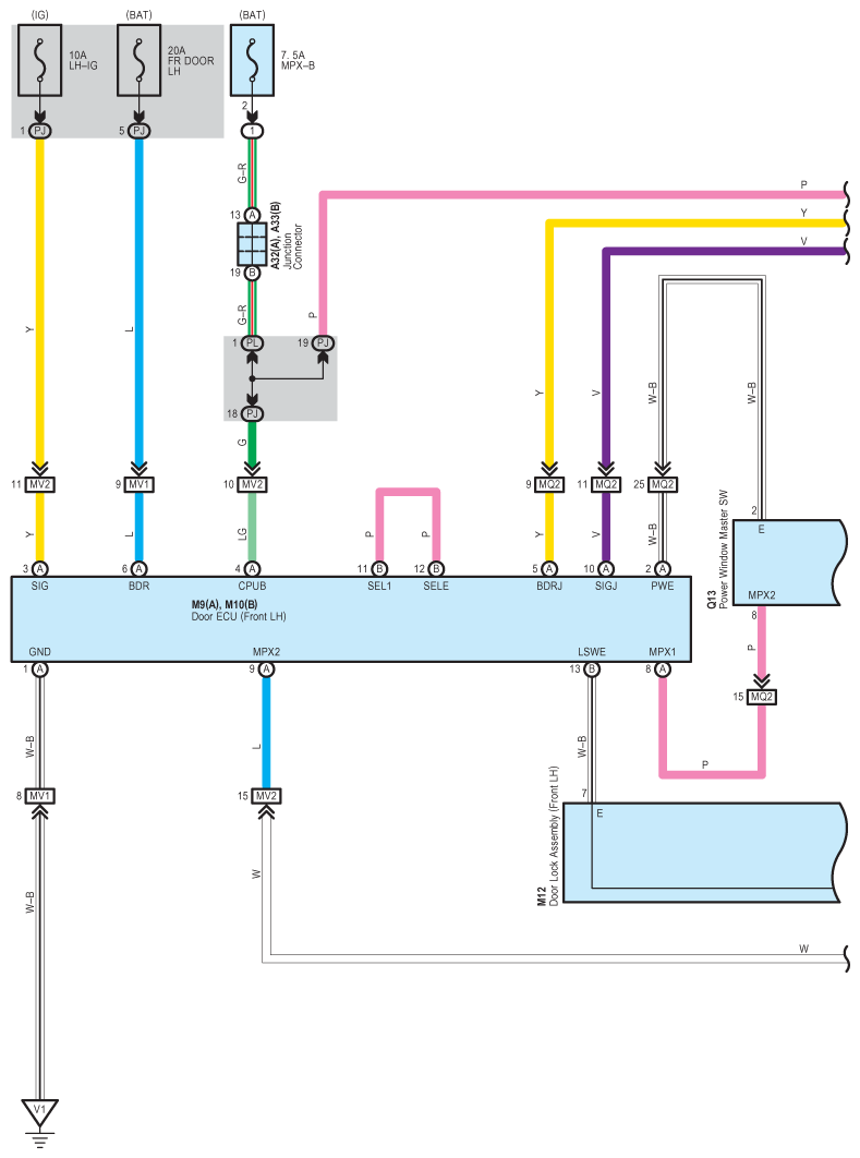
Fig 1: Theft Deterrent Wiring Diagram (1 Of 11)
G08919526Courtesy of © TOYOTA, LICENSE AGREEMENT TMS1002
Fig 2: Theft Deterrent Wiring Diagram (2 Of 11)
G08919527Courtesy of © TOYOTA, LICENSE AGREEMENT TMS1002
Fig 3: Theft Deterrent Wiring Diagram (3 Of 11)
G08919528Courtesy of © TOYOTA, LICENSE AGREEMENT TMS1002
Fig 4: Theft Deterrent Wiring Diagram (4 Of 11)
G08919529Courtesy of © TOYOTA, LICENSE AGREEMENT TMS1002
Fig 5: Theft Deterrent Wiring Diagram (5 Of 11)
G08919530Courtesy of © TOYOTA, LICENSE AGREEMENT TMS1002
Fig 6: Theft Deterrent Wiring Diagram (6 Of 11)
G08919531Courtesy of © TOYOTA, LICENSE AGREEMENT TMS1002
Fig 7: Theft Deterrent Wiring Diagram (7 Of 11)
G08919532Courtesy of © TOYOTA, LICENSE AGREEMENT TMS1002
Fig 8: Theft Deterrent Wiring Diagram (8 Of 11)
G08919533Courtesy of © TOYOTA, LICENSE AGREEMENT TMS1002
Fig 9: Theft Deterrent Wiring Diagram (9 Of 11)
G08919534Courtesy of © TOYOTA, LICENSE AGREEMENT TMS1002
Fig 10: Theft Deterrent Wiring Diagram (10 Of 11)
G08919535Courtesy of © TOYOTA, LICENSE AGREEMENT TMS1002
Fig 11: Theft Deterrent Wiring Diagram (11 Of 11)
G08919536Courtesy of © TOYOTA, LICENSE AGREEMENT TMS1002