lemon-mirror:
Home >> Lexus >> 2007 >> GS 450h >> Repair and Diagnosis >> Engine Performance >> Fuel Delivery >> Fuel >> Fuel System >> System Diagram

System Diagram

  1. FUEL FLOW DIAGRAM 
    Fig 1: Fuel Flow Diagram (1 Of 2)
    G05303092Courtesy of © TOYOTA, LICENSE AGREEMENT TMS1002
    Fig 2: Fuel Flow Diagram (2 Of 2)
    G05303093Courtesy of © TOYOTA, LICENSE AGREEMENT TMS1002
  2. ELECTRICAL CONTROL DIAGRAM 
    Fig 3: Electrical Control Diagram
    G05303094Courtesy of © TOYOTA, LICENSE AGREEMENT TMS1002
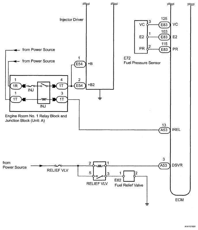
  3. HIGH PRESSURE SIDE (DIRECT INJECTION SIDE) FUEL SYSTEM WIRING DIAGRAM 
    Fig 4: Fuel System Wiring Diagram (1 Of 2)
    G05303095Courtesy of © TOYOTA, LICENSE AGREEMENT TMS1002
    Fig 5: Fuel System Wiring Diagram (2 Of 2)
    G05303096Courtesy of © TOYOTA, LICENSE AGREEMENT TMS1002
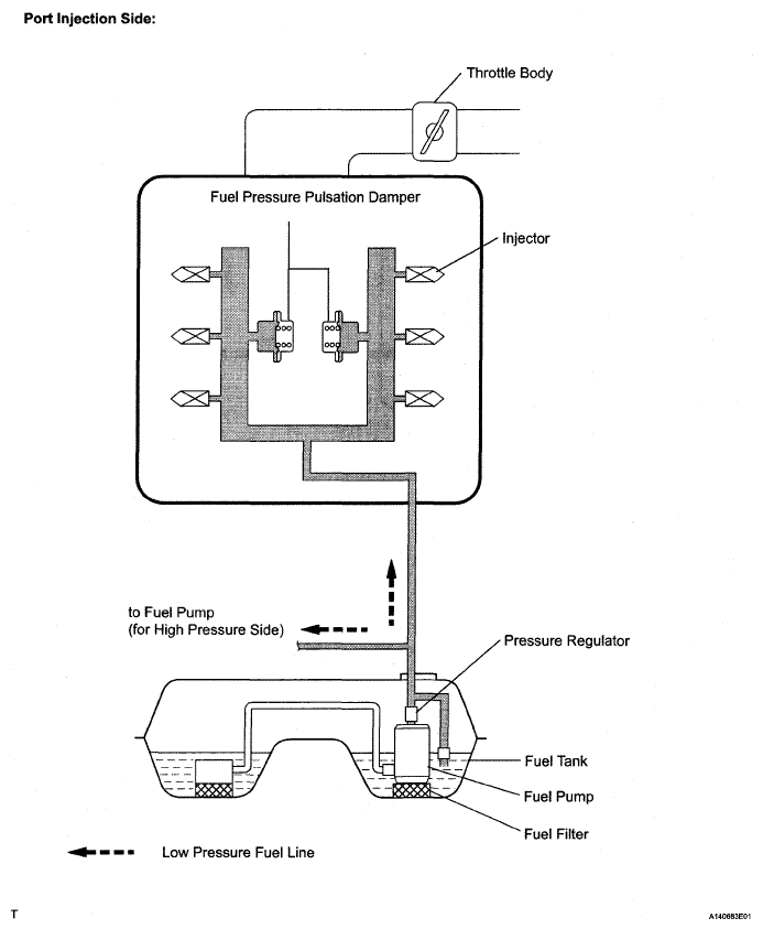
  4. PORT INJECTION SIDE FUEL SYSTEM WIRING DIAGRAM 
    Fig 6: Port Injection Side Fuel System - Wiring Diagram
    G05303097Courtesy of © TOYOTA, LICENSE AGREEMENT TMS1002
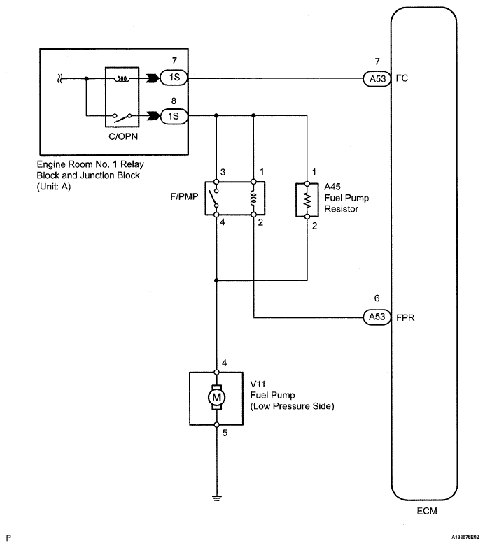
  5. LOW PRESSURE SIDE FUEL SYSTEM WIRING DIAGRAM 
    Fig 7: Low Pressure Side Fuel System - Wiring Diagram
    G05303098Courtesy of © TOYOTA, LICENSE AGREEMENT TMS1002