lemon-mirror:
Home >> Lexus >> 2007 >> GX 470 >> Repair and Diagnosis >> Electrical >> Body Electrical >> OEM System Circuits >> Accessory Meter >> Notes

Accessory Meter: Notes

Fig 1: Accessory Meter System Wiring Diagram (1 Of 2)
G08917676Courtesy of © TOYOTA, LICENSE AGREEMENT TMS1002
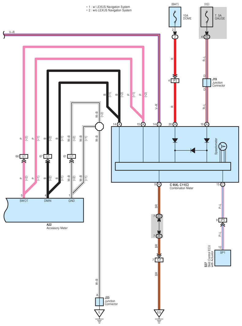
Fig 2: Accessory Meter System Wiring Diagram (2 Of 2)
G08917677Courtesy of © TOYOTA, LICENSE AGREEMENT TMS1002