lemon-mirror:
Home >> Lexus >> 2007 >> GX 470 >> Repair and Diagnosis >> Electrical >> Body Electrical >> OEM System Circuits >> Engine Immobilizer System >> Notes

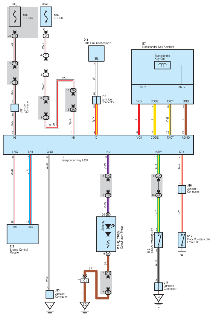
Engine Immobilizer System: Notes

Fig 1: Engine Immobilizer System Wiring Diagram
G08917537Courtesy of © TOYOTA, LICENSE AGREEMENT TMS1002