lemon-mirror:
Home >> Lexus >> 2007 >> GX 470 >> Repair and Diagnosis >> Electrical >> Body Electrical >> OEM System Circuits >> Front Air Conditioning >> Notes

Front Air Conditioning: Notes

Fig 1: Front Air Conditioning System Wiring Diagram (1 Of 8)
G08917712Courtesy of © TOYOTA, LICENSE AGREEMENT TMS1002
Fig 2: Front Air Conditioning System Wiring Diagram (2 Of 8)
G08917713Courtesy of © TOYOTA, LICENSE AGREEMENT TMS1002
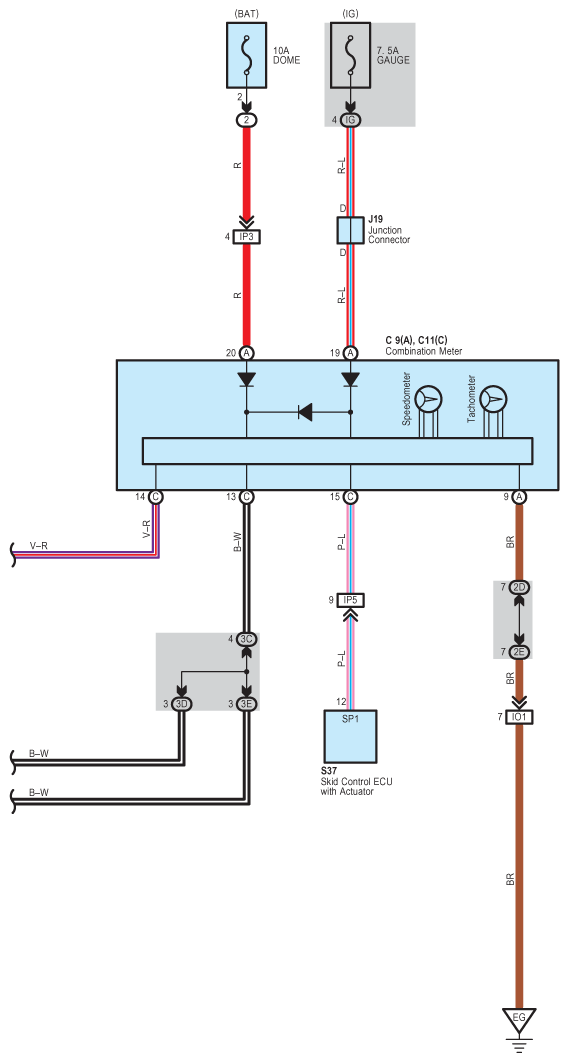
Fig 3: Front Air Conditioning System Wiring Diagram (3 Of 8)
G08917714Courtesy of © TOYOTA, LICENSE AGREEMENT TMS1002
Fig 4: Front Air Conditioning System Wiring Diagram (4 Of 8)
G08917715Courtesy of © TOYOTA, LICENSE AGREEMENT TMS1002
Fig 5: Front Air Conditioning System Wiring Diagram (5 Of 8)
G08917716Courtesy of © TOYOTA, LICENSE AGREEMENT TMS1002
Fig 6: Front Air Conditioning System Wiring Diagram (6 Of 8)
G08917717Courtesy of © TOYOTA, LICENSE AGREEMENT TMS1002
Fig 7: Front Air Conditioning System Wiring Diagram (7 Of 8)
G08917718Courtesy of © TOYOTA, LICENSE AGREEMENT TMS1002
Fig 8: Front Air Conditioning System Wiring Diagram (8 Of 8)
G08917719Courtesy of © TOYOTA, LICENSE AGREEMENT TMS1002