lemon-mirror:
Home >> Lexus >> 2007 >> GX 470 >> Repair and Diagnosis >> Electrical >> Body Electrical >> OEM System Circuits >> Kinetic Dynamic Suspension System >> Notes

Kinetic Dynamic Suspension System: Notes

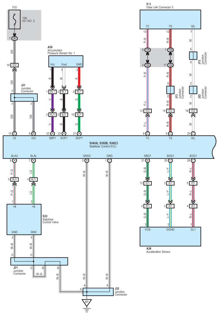
Fig 1: Kinetic Dynamic Suspension System Wiring Diagram (1 Of 2)
G08917642Courtesy of © TOYOTA, LICENSE AGREEMENT TMS1002
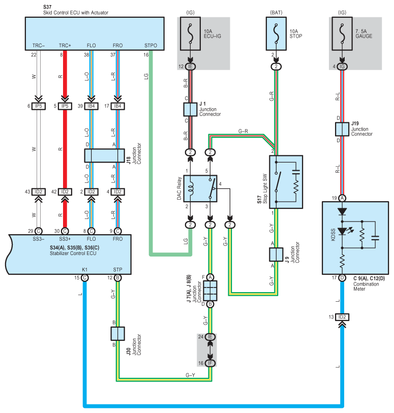
Fig 2: Kinetic Dynamic Suspension System Wiring Diagram (2 Of 2)
G08917643Courtesy of © TOYOTA, LICENSE AGREEMENT TMS1002