lemon-mirror:
Home >> Lexus >> 2007 >> GX 470 >> Repair and Diagnosis >> Electrical >> Body Electrical >> OEM System Circuits >> Mirror Heater >> Notes

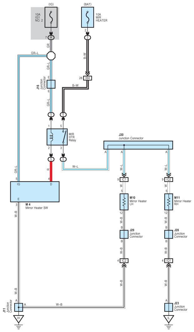
Mirror Heater: Notes

Fig 1: Mirror Heater System Wiring Diagram
G08917675Courtesy of © TOYOTA, LICENSE AGREEMENT TMS1002