lemon-mirror:
Home >> Lexus >> 2007 >> GX 470 >> Repair and Diagnosis >> Electrical >> Body Electrical >> OEM System Circuits >> Rear Air Conditioning >> Notes

Rear Air Conditioning: Notes

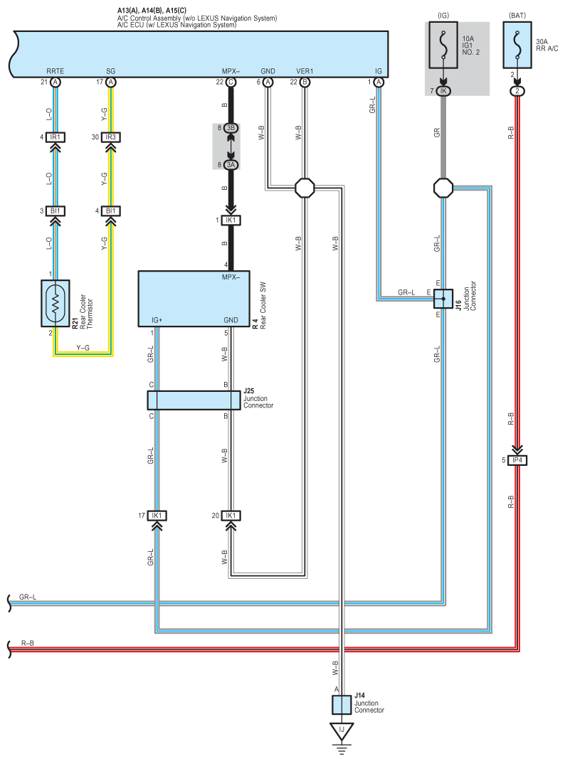
Fig 1: Rear Air Conditioning System Wiring Diagram (1 Of 2)
G08917720Courtesy of © TOYOTA, LICENSE AGREEMENT TMS1002
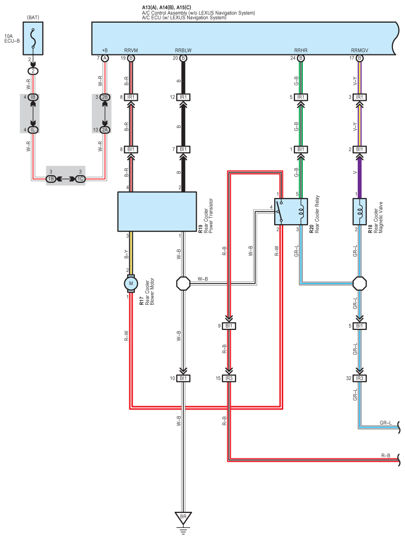
Fig 2: Rear Air Conditioning System Wiring Diagram (2 Of 2)
G08917721Courtesy of © TOYOTA, LICENSE AGREEMENT TMS1002