lemon-mirror:
Home >> Lexus >> 2007 >> GX 470 >> Repair and Diagnosis >> Electrical >> Body Electrical >> OEM System Circuits >> Trailer Towing >> Notes

Trailer Towing: Notes

Fig 1: Trailer Towing System Wiring Diagram (1 Of 3)
G08917671Courtesy of © TOYOTA, LICENSE AGREEMENT TMS1002
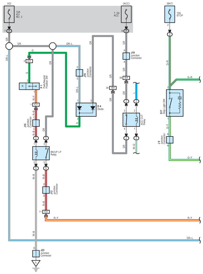
Fig 2: Trailer Towing System Wiring Diagram (2 Of 3)
G08917672Courtesy of © TOYOTA, LICENSE AGREEMENT TMS1002
Fig 3: Trailer Towing System Wiring Diagram (3 Of 3)
G08917673Courtesy of © TOYOTA, LICENSE AGREEMENT TMS1002