lemon-mirror:
Home >> Lexus >> 2007 >> IS 350 >> Repair and Diagnosis >> Body & Frame >> Windows >> Windshield/Window Glass >> Window Defogger System >> Rear Window Defogger System does not Operate >> Wiring Diagram

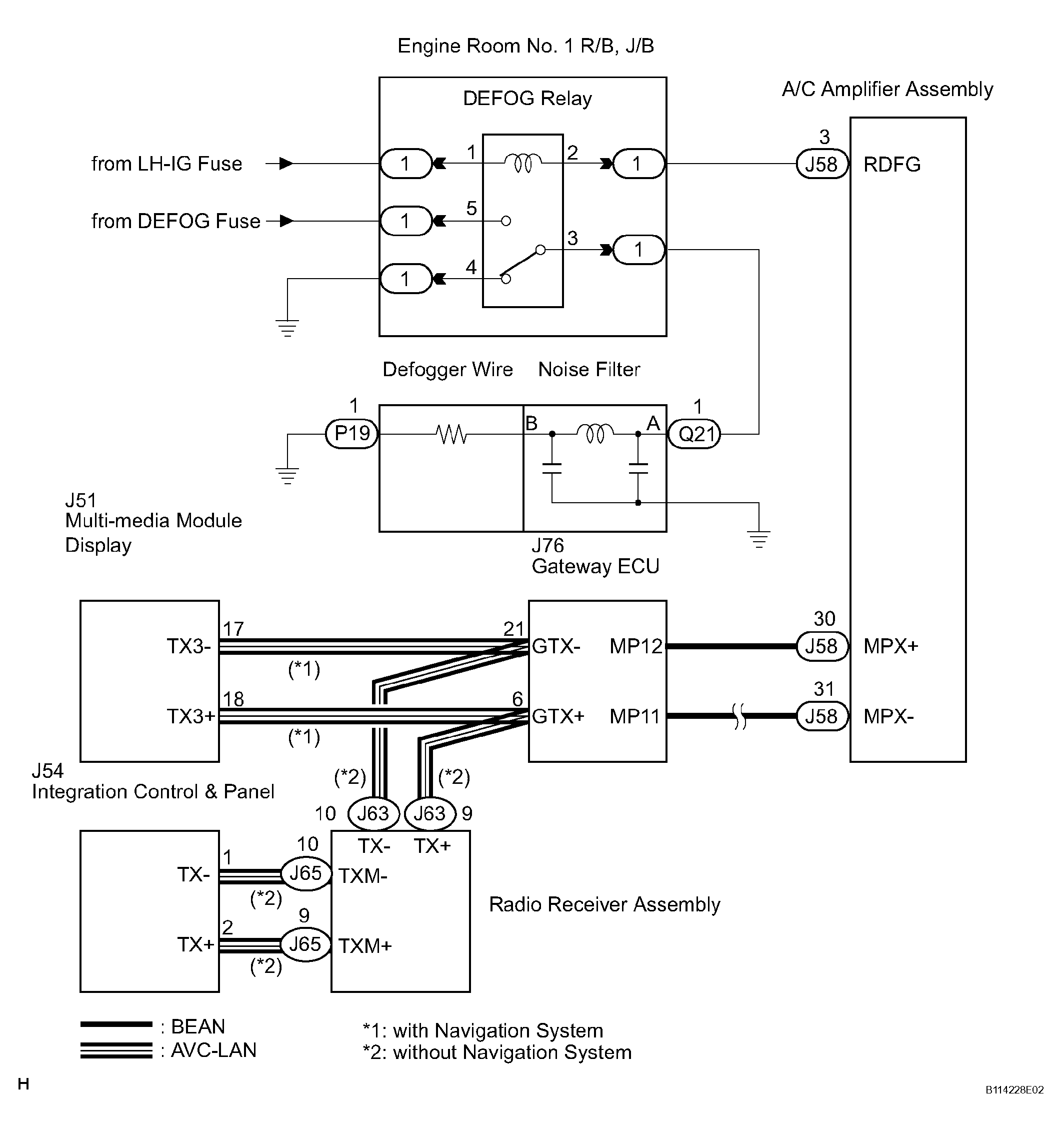
Rear Window Defogger System does not Operate: Wiring Diagram

Fig 1: Identifying Rear Window Defogger System Does Not Operate Wiring Diagram
G04050791Courtesy of © TOYOTA, LICENSE AGREEMENT TMS1002