lemon-mirror:
Home >> Lexus >> 2007 >> IS 350 >> Repair and Diagnosis >> Electrical >> Body Electrical >> OEM Ground Points >> Ground Point >> Notes

Ground Point: Notes

Fig 1: Ground Point System Wiring Diagram (1 Of 8)
G08918684Courtesy of © TOYOTA, LICENSE AGREEMENT TMS1002
Fig 2: Ground Point System Wiring Diagram (2 Of 8)
G08918685Courtesy of © TOYOTA, LICENSE AGREEMENT TMS1002
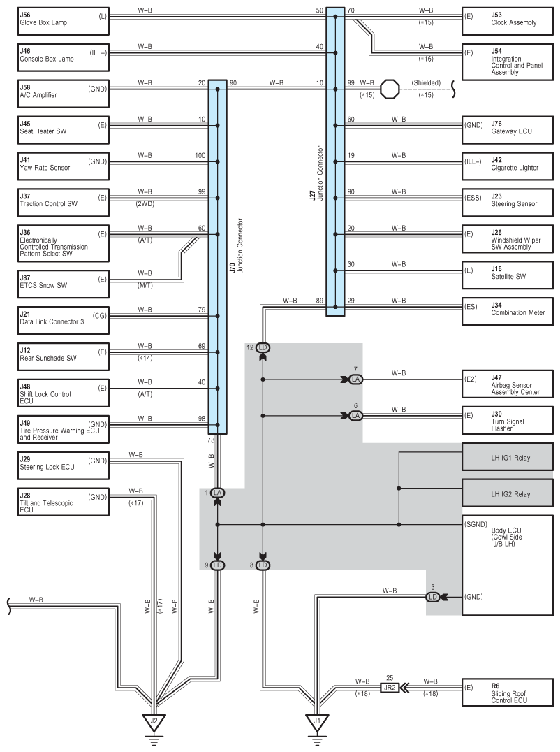
Fig 3: Ground Point System Wiring Diagram (3 Of 8)
G08918686Courtesy of © TOYOTA, LICENSE AGREEMENT TMS1002
Fig 4: Ground Point System Wiring Diagram (4 Of 8)
G08918687Courtesy of © TOYOTA, LICENSE AGREEMENT TMS1002
Fig 5: Ground Point System Wiring Diagram (5 Of 8)
G08918688Courtesy of © TOYOTA, LICENSE AGREEMENT TMS1002
Fig 6: Ground Point System Wiring Diagram (6 Of 8)
G08918689Courtesy of © TOYOTA, LICENSE AGREEMENT TMS1002
Fig 7: Ground Point System Wiring Diagram (7 Of 8)
G08918690Courtesy of © TOYOTA, LICENSE AGREEMENT TMS1002
Fig 8: Ground Point System Wiring Diagram (8 Of 8)
G08918691Courtesy of © TOYOTA, LICENSE AGREEMENT TMS1002