lemon-mirror:
Home >> Lexus >> 2007 >> IS 350 >> Repair and Diagnosis >> Electrical >> Body Electrical >> OEM System Circuits >> Cruise Control for 2GR-FSE >> Notes

Cruise Control for 2GR-FSE: Notes

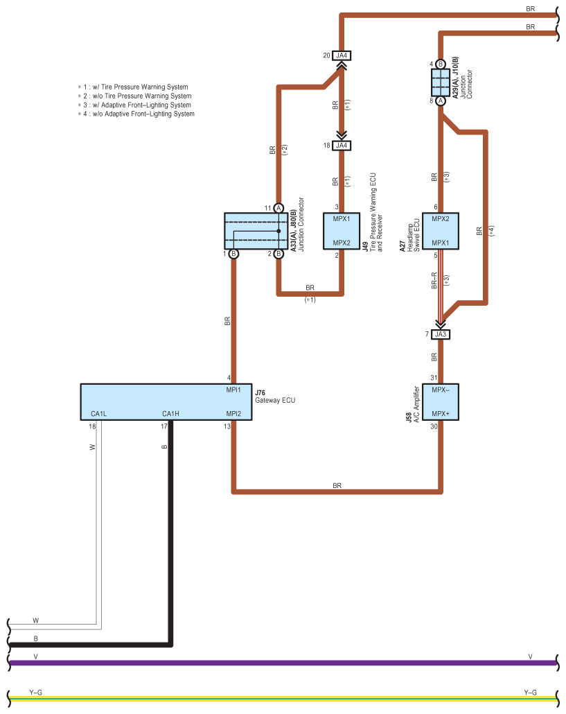
Fig 1: Cruise Control For 2GR-FSE - Wiring Diagram (1 Of 8)
G08918545Courtesy of © TOYOTA, LICENSE AGREEMENT TMS1002
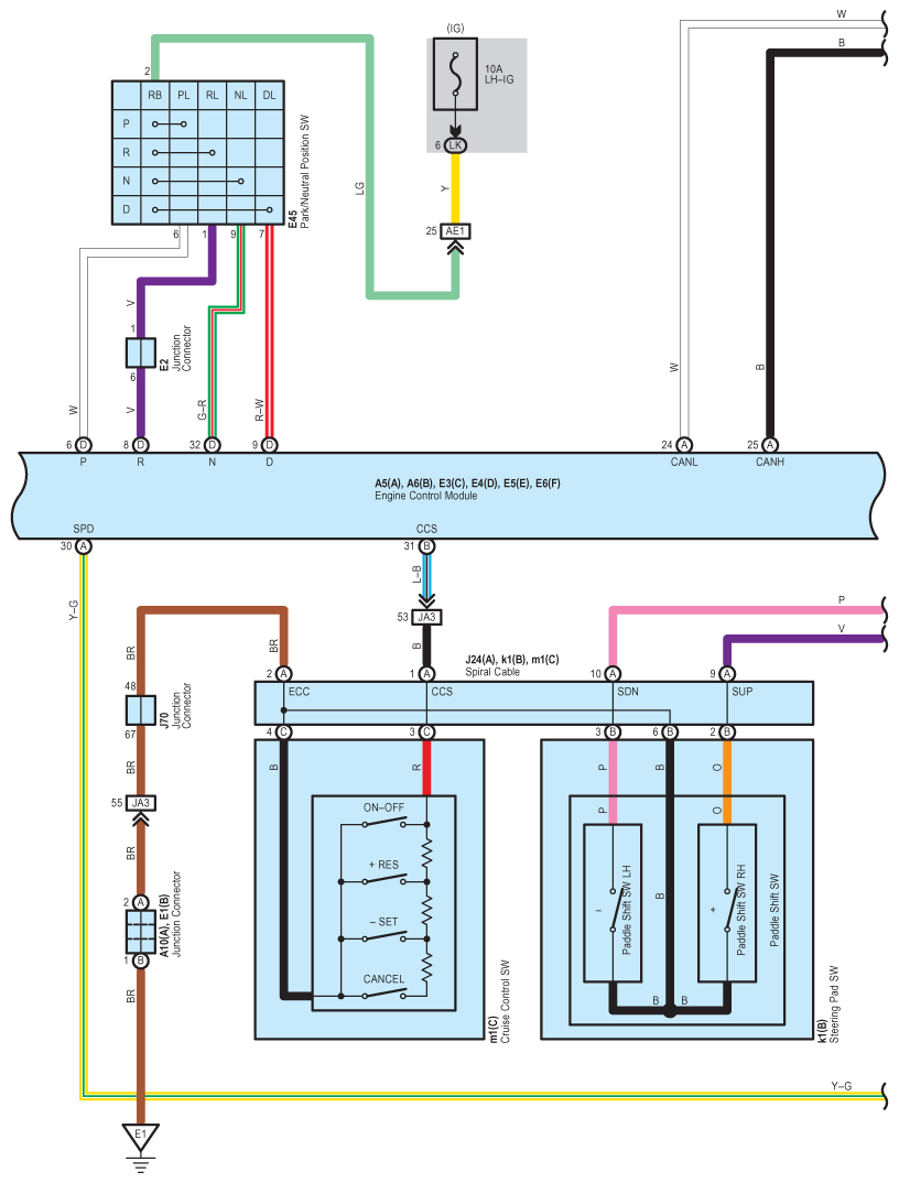
Fig 2: Cruise Control For 2GR-FSE - Wiring Diagram (2 Of 8)
G08918546Courtesy of © TOYOTA, LICENSE AGREEMENT TMS1002
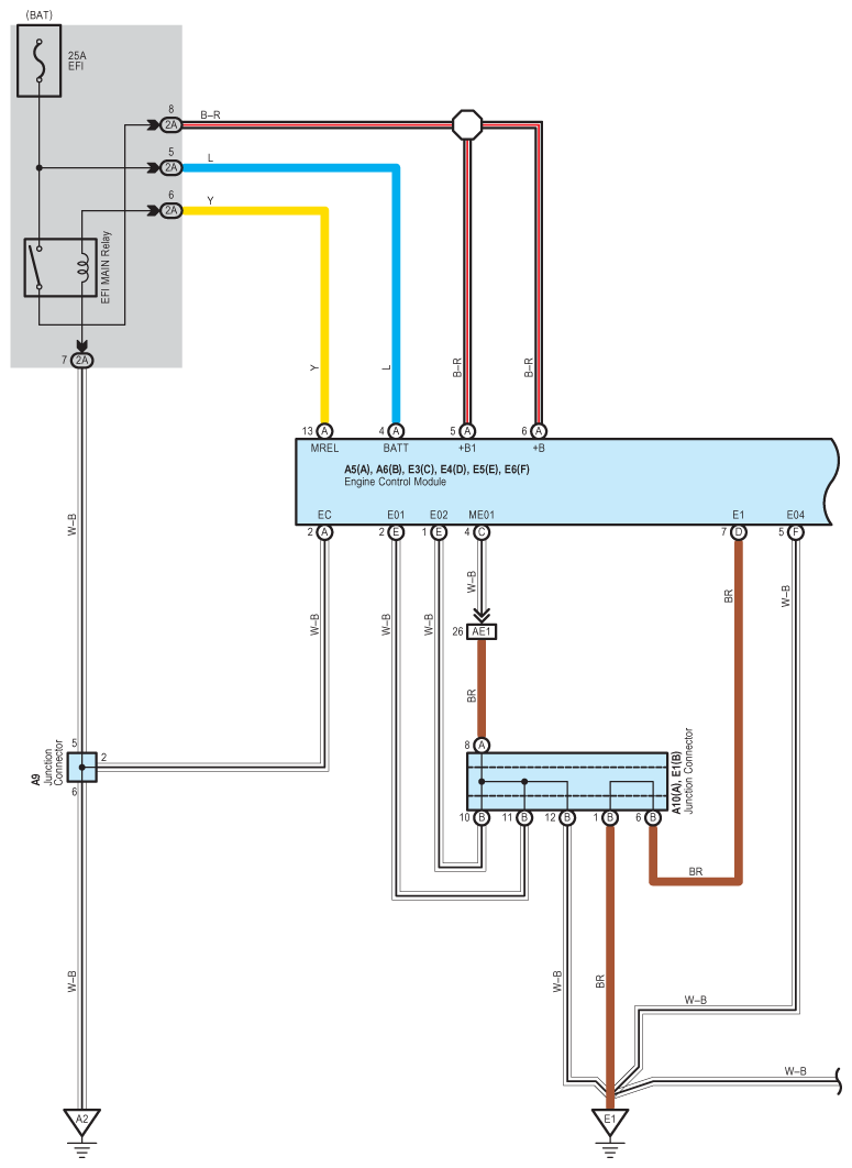
Fig 3: Cruise Control For 2GR-FSE - Wiring Diagram (3 Of 8)
G08918547Courtesy of © TOYOTA, LICENSE AGREEMENT TMS1002
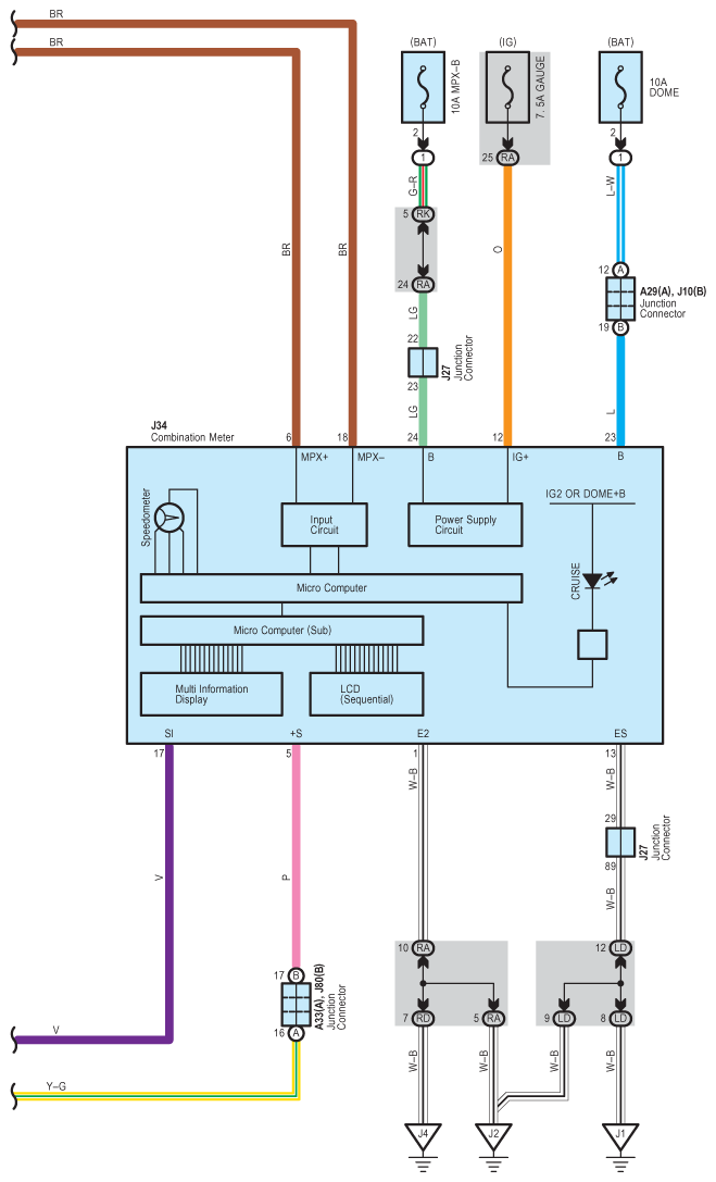
Fig 4: Cruise Control For 2GR-FSE - Wiring Diagram (4 Of 8)
G08918548Courtesy of © TOYOTA, LICENSE AGREEMENT TMS1002
Fig 5: Cruise Control For 2GR-FSE - Wiring Diagram (5 Of 8)
G08918549Courtesy of © TOYOTA, LICENSE AGREEMENT TMS1002
Fig 6: Cruise Control For 2GR-FSE - Wiring Diagram (6 Of 8)
G08918550Courtesy of © TOYOTA, LICENSE AGREEMENT TMS1002
Fig 7: Cruise Control For 2GR-FSE - Wiring Diagram (7 Of 8)
G08918551Courtesy of © TOYOTA, LICENSE AGREEMENT TMS1002
Fig 8: Cruise Control For 2GR-FSE - Wiring Diagram (8 Of 8)
G08918552Courtesy of © TOYOTA, LICENSE AGREEMENT TMS1002