lemon-mirror:
Home >> Lexus >> 2007 >> IS 350 >> Repair and Diagnosis >> Electrical >> Body Electrical >> OEM System Circuits >> Cruise Control for 4GR-FSE >> Notes

Cruise Control for 4GR-FSE: Notes

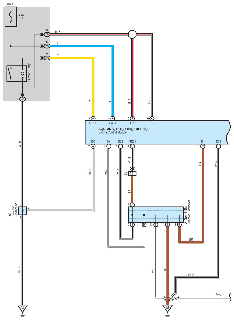
Fig 1: Cruise Control For 4GR-FSE - Wiring Diagram (1 Of 7)
G08918553Courtesy of © TOYOTA, LICENSE AGREEMENT TMS1002
Fig 2: Cruise Control For 4GR-FSE - Wiring Diagram (2 Of 7)
G08918554Courtesy of © TOYOTA, LICENSE AGREEMENT TMS1002
Fig 3: Cruise Control For 4GR-FSE - Wiring Diagram (3 Of 7)
G08918555Courtesy of © TOYOTA, LICENSE AGREEMENT TMS1002
Fig 4: Cruise Control For 4GR-FSE - Wiring Diagram (4 Of 7)
G08918556Courtesy of © TOYOTA, LICENSE AGREEMENT TMS1002
Fig 5: Cruise Control For 4GR-FSE - Wiring Diagram (5 Of 7)
G08918557Courtesy of © TOYOTA, LICENSE AGREEMENT TMS1002
Fig 6: Cruise Control For 4GR-FSE - Wiring Diagram (6 Of 7)
G08918558Courtesy of © TOYOTA, LICENSE AGREEMENT TMS1002
Fig 7: Cruise Control For 4GR-FSE - Wiring Diagram (7 Of 7)
G08918559Courtesy of © TOYOTA, LICENSE AGREEMENT TMS1002