lemon-mirror:
Home >> Lexus >> 2007 >> IS 350 >> Repair and Diagnosis >> Electrical >> Body Electrical >> OEM System Circuits >> Data Link Connector 3 >> Notes

Data Link Connector 3: Notes

Fig 1: Data Link Connector 3 - Wiring Diagram (1 Of 3)
G08918389Courtesy of © TOYOTA, LICENSE AGREEMENT TMS1002
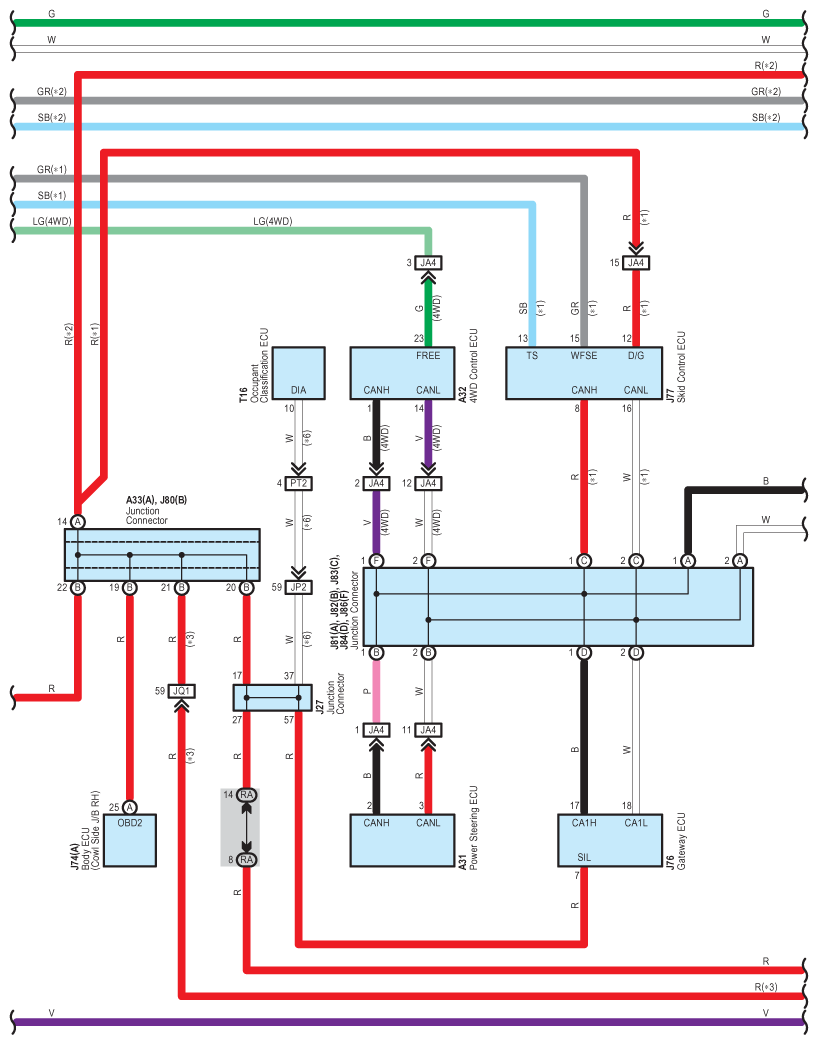
Fig 2: Data Link Connector 3 - Wiring Diagram (2 Of 3)
G08918390Courtesy of © TOYOTA, LICENSE AGREEMENT TMS1002
Fig 3: Data Link Connector 3 - Wiring Diagram (3 Of 3)
G08918391Courtesy of © TOYOTA, LICENSE AGREEMENT TMS1002