lemon-mirror:
Home >> Lexus >> 2007 >> IS 350 >> Repair and Diagnosis >> Electrical >> Body Electrical >> OEM System Circuits >> Dynamic Radar Cruise Control for 2GR-FSE >> Notes

Dynamic Radar Cruise Control for 2GR-FSE: Notes

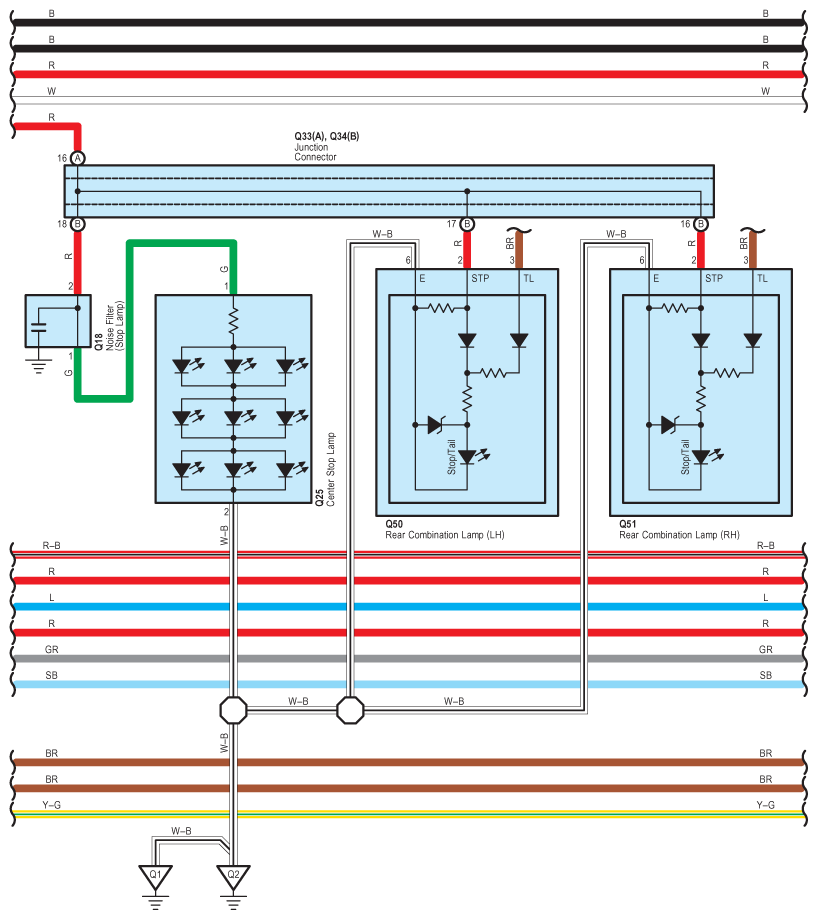
Fig 1: Dynamic Radar Cruise Control For 2GR-FSE - Wiring Diagram (1 Of 15)
G08918516Courtesy of © TOYOTA, LICENSE AGREEMENT TMS1002
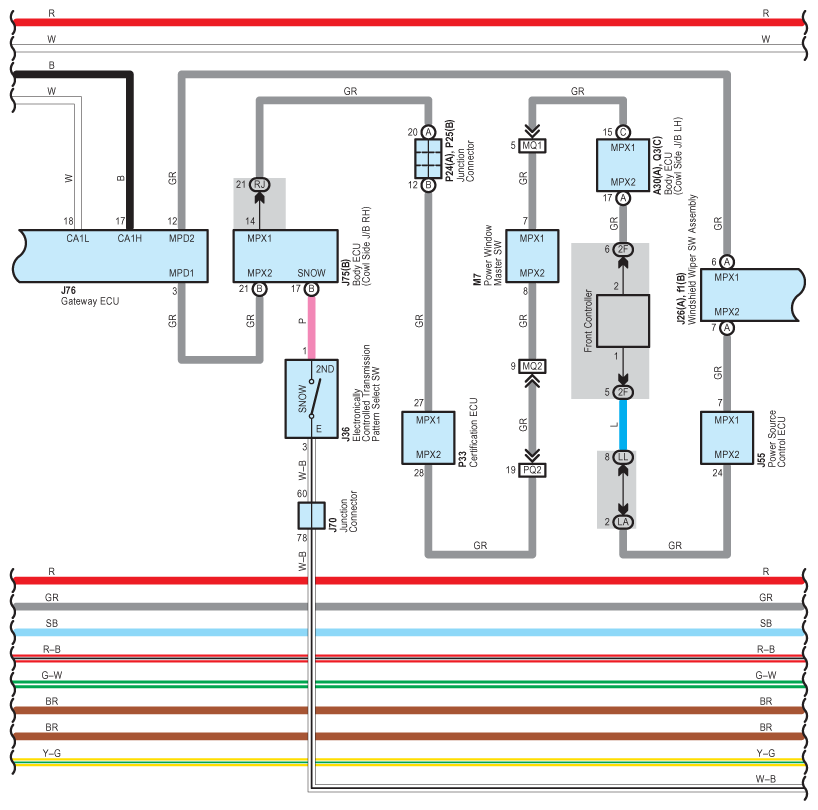
Fig 2: Dynamic Radar Cruise Control For 2GR-FSE - Wiring Diagram (2 Of 15)
G08918517Courtesy of © TOYOTA, LICENSE AGREEMENT TMS1002
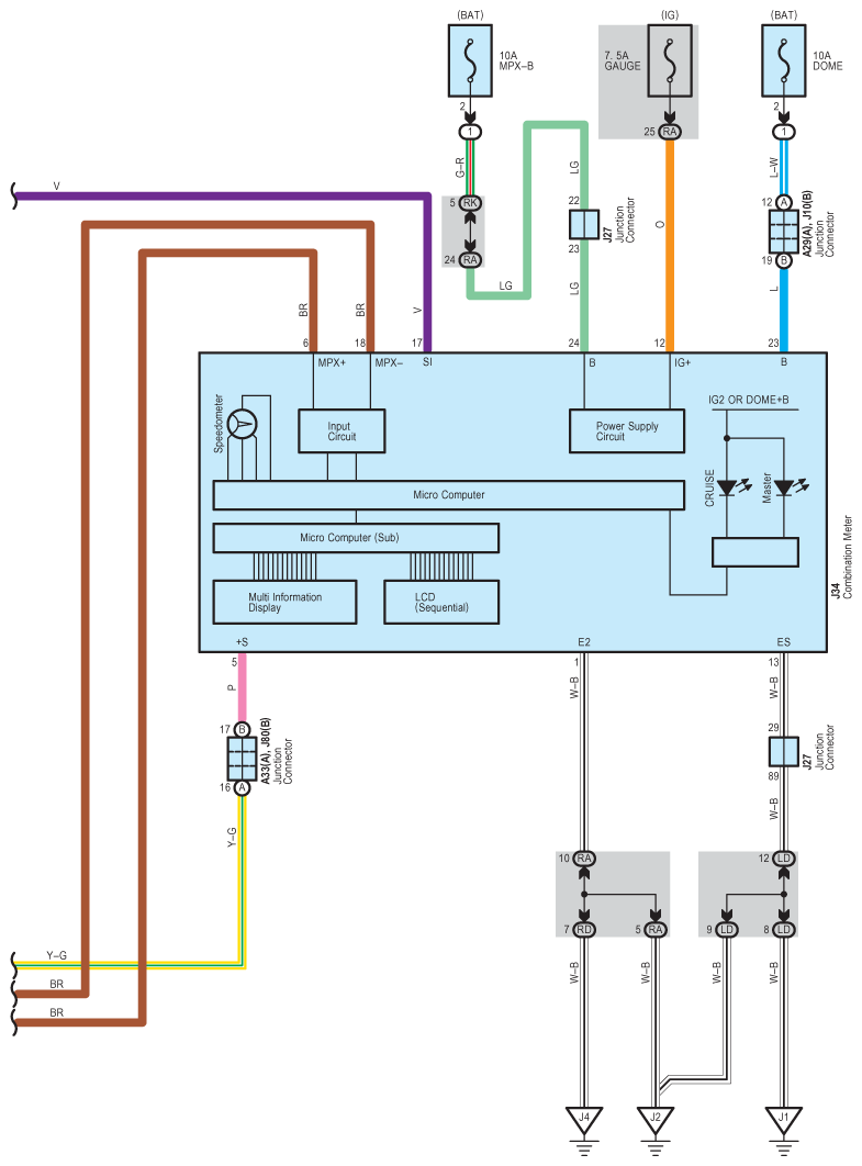
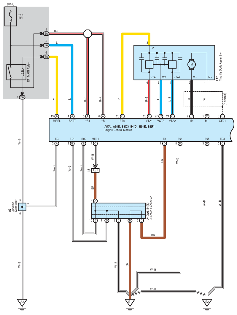
Fig 3: Dynamic Radar Cruise Control For 2GR-FSE - Wiring Diagram (3 Of 15)
G08918518Courtesy of © TOYOTA, LICENSE AGREEMENT TMS1002
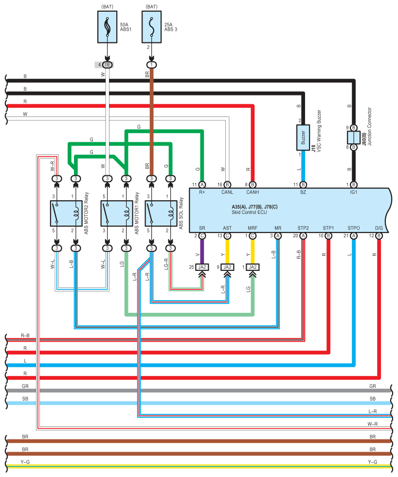
Fig 4: Dynamic Radar Cruise Control For 2GR-FSE - Wiring Diagram (4 Of 15)
G08918519Courtesy of © TOYOTA, LICENSE AGREEMENT TMS1002
Fig 5: Dynamic Radar Cruise Control For 2GR-FSE - Wiring Diagram (5 Of 15)
G08918520Courtesy of © TOYOTA, LICENSE AGREEMENT TMS1002
Fig 6: Dynamic Radar Cruise Control For 2GR-FSE - Wiring Diagram (6 Of 15)
G08918521Courtesy of © TOYOTA, LICENSE AGREEMENT TMS1002
Fig 7: Dynamic Radar Cruise Control For 2GR-FSE - Wiring Diagram (7 Of 15)
G08918522Courtesy of © TOYOTA, LICENSE AGREEMENT TMS1002
Fig 8: Dynamic Radar Cruise Control For 2GR-FSE - Wiring Diagram (8 Of 15)
G08918523Courtesy of © TOYOTA, LICENSE AGREEMENT TMS1002
Fig 9: Dynamic Radar Cruise Control For 2GR-FSE - Wiring Diagram (9 Of 15)
G08918524Courtesy of © TOYOTA, LICENSE AGREEMENT TMS1002
Fig 10: Dynamic Radar Cruise Control For 2GR-FSE - Wiring Diagram (10 Of 15)
G08918525Courtesy of © TOYOTA, LICENSE AGREEMENT TMS1002
Fig 11: Dynamic Radar Cruise Control For 2GR-FSE - Wiring Diagram (11 Of 15)
G08918526Courtesy of © TOYOTA, LICENSE AGREEMENT TMS1002
Fig 12: Dynamic Radar Cruise Control For 2GR-FSE - Wiring Diagram (12 Of 15)
G08918527Courtesy of © TOYOTA, LICENSE AGREEMENT TMS1002
Fig 13: Dynamic Radar Cruise Control For 2GR-FSE - Wiring Diagram (13 Of 15)
G08918528Courtesy of © TOYOTA, LICENSE AGREEMENT TMS1002
Fig 14: Dynamic Radar Cruise Control For 2GR-FSE - Wiring Diagram (14 Of 15)
G08918529Courtesy of © TOYOTA, LICENSE AGREEMENT TMS1002
Fig 15: Dynamic Radar Cruise Control For 2GR-FSE - Wiring Diagram (15 Of 15)
G08918530Courtesy of © TOYOTA, LICENSE AGREEMENT TMS1002