lemon-mirror:
Home >> Lexus >> 2007 >> IS 350 >> Repair and Diagnosis >> Electrical >> Body Electrical >> OEM System Circuits >> Dynamic Radar Cruise Control for 4GR-FSE >> Notes

Dynamic Radar Cruise Control for 4GR-FSE: Notes

Fig 1: Dynamic Radar Cruise Control For 4GR-FSE - Wiring Diagram (1 Of 14)
G08918531Courtesy of © TOYOTA, LICENSE AGREEMENT TMS1002
Fig 2: Dynamic Radar Cruise Control For 4GR-FSE - Wiring Diagram (2 Of 14)
G08918532Courtesy of © TOYOTA, LICENSE AGREEMENT TMS1002
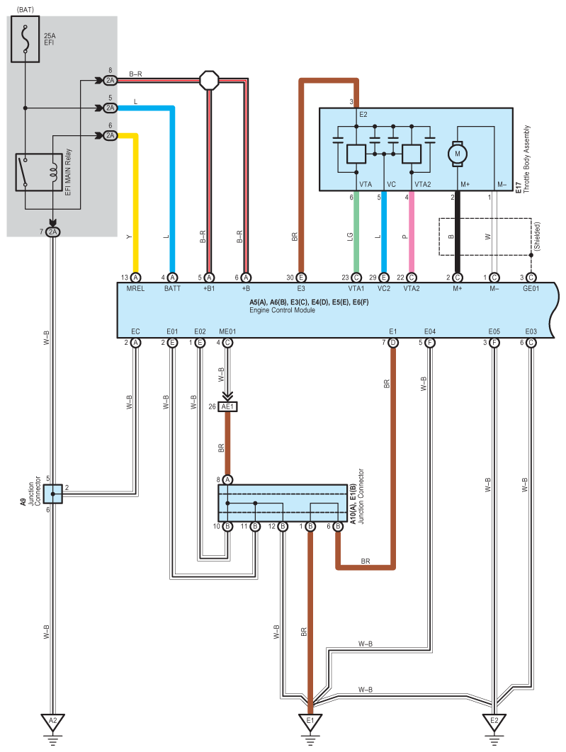
Fig 3: Dynamic Radar Cruise Control For 4GR-FSE - Wiring Diagram (3 Of 14)
G08918533Courtesy of © TOYOTA, LICENSE AGREEMENT TMS1002
Fig 4: Dynamic Radar Cruise Control For 4GR-FSE - Wiring Diagram (4 Of 14)
G08918534Courtesy of © TOYOTA, LICENSE AGREEMENT TMS1002
Fig 5: Dynamic Radar Cruise Control For 4GR-FSE - Wiring Diagram (5 Of 14)
G08918535Courtesy of © TOYOTA, LICENSE AGREEMENT TMS1002
Fig 6: Dynamic Radar Cruise Control For 4GR-FSE - Wiring Diagram (6 Of 14)
G08918536Courtesy of © TOYOTA, LICENSE AGREEMENT TMS1002
Fig 7: Dynamic Radar Cruise Control For 4GR-FSE - Wiring Diagram (7 Of 14)
G08918537Courtesy of © TOYOTA, LICENSE AGREEMENT TMS1002
Fig 8: Dynamic Radar Cruise Control For 4GR-FSE - Wiring Diagram (8 Of 14)
G08918538Courtesy of © TOYOTA, LICENSE AGREEMENT TMS1002
Fig 9: Dynamic Radar Cruise Control For 4GR-FSE - Wiring Diagram (9 Of 14)
G08918539Courtesy of © TOYOTA, LICENSE AGREEMENT TMS1002
Fig 10: Dynamic Radar Cruise Control For 4GR-FSE - Wiring Diagram (10 Of 14)
G08918540Courtesy of © TOYOTA, LICENSE AGREEMENT TMS1002
Fig 11: Dynamic Radar Cruise Control For 4GR-FSE - Wiring Diagram (11 Of 14)
G08918541Courtesy of © TOYOTA, LICENSE AGREEMENT TMS1002
Fig 12: Dynamic Radar Cruise Control For 4GR-FSE - Wiring Diagram (12 Of 14)
G08918542Courtesy of © TOYOTA, LICENSE AGREEMENT TMS1002
Fig 13: Dynamic Radar Cruise Control For 4GR-FSE - Wiring Diagram (13 Of 14)
G08918543Courtesy of © TOYOTA, LICENSE AGREEMENT TMS1002
Fig 14: Dynamic Radar Cruise Control For 4GR-FSE - Wiring Diagram (14 Of 14)
G08918544Courtesy of © TOYOTA, LICENSE AGREEMENT TMS1002