lemon-mirror:
Home >> Lexus >> 2007 >> IS 350 >> Repair and Diagnosis >> Electrical >> Body Electrical >> OEM System Circuits >> EPS >> Notes

OEM System Circuits: EPS: Notes

Fig 1: EPS - Wiring Diagram (1 Of 4)
G08918578Courtesy of © TOYOTA, LICENSE AGREEMENT TMS1002
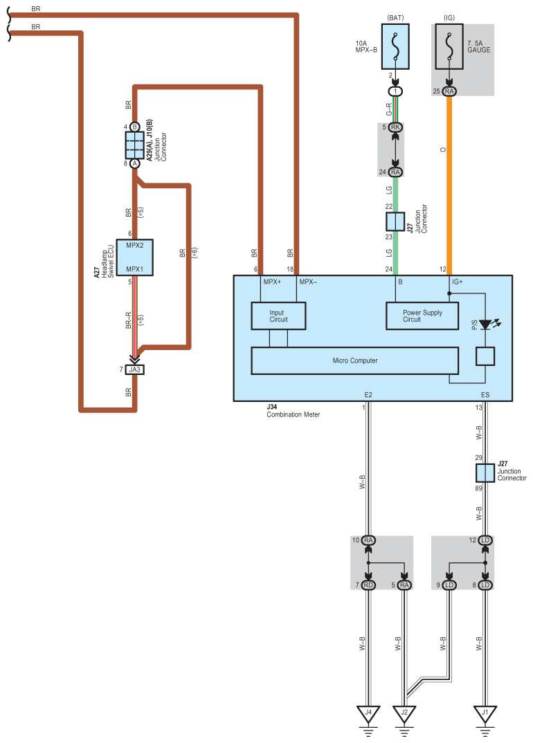
Fig 2: EPS - Wiring Diagram (2 Of 4)
G08918579Courtesy of © TOYOTA, LICENSE AGREEMENT TMS1002
Fig 3: EPS - Wiring Diagram (3 Of 4)
G08918580Courtesy of © TOYOTA, LICENSE AGREEMENT TMS1002
Fig 4: EPS - Wiring Diagram (4 Of 4)
G08918581Courtesy of © TOYOTA, LICENSE AGREEMENT TMS1002