lemon-mirror:
Home >> Lexus >> 2007 >> IS 350 >> Repair and Diagnosis >> Electrical >> Body Electrical >> OEM System Circuits >> Ignition for 2GR-FSE >> Notes

Ignition for 2GR-FSE: Notes

Fig 1: Ignition For 2GR-FSE - Wiring Diagram (1 Of 2)
G08918350Courtesy of © TOYOTA, LICENSE AGREEMENT TMS1002
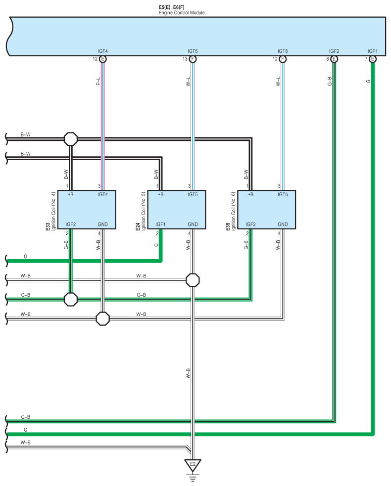
Fig 2: Ignition For 2GR-FSE - Wiring Diagram (2 Of 2)
G08918351Courtesy of © TOYOTA, LICENSE AGREEMENT TMS1002