lemon-mirror:
Home >> Lexus >> 2007 >> IS 350 >> Repair and Diagnosis >> Electrical >> Body Electrical >> OEM System Circuits >> Illumination >> Notes

OEM System Circuits: Illumination: Notes

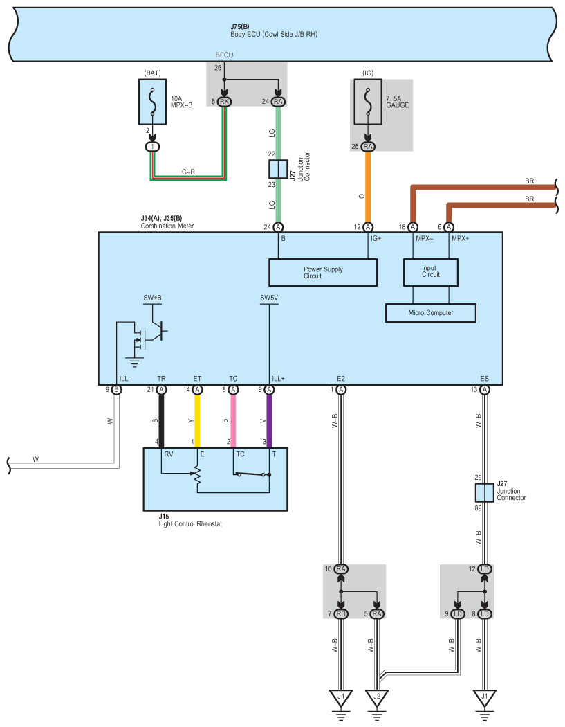
Fig 1: Illumination - Wiring Diagram (1 Of 7)
G08918421Courtesy of © TOYOTA, LICENSE AGREEMENT TMS1002
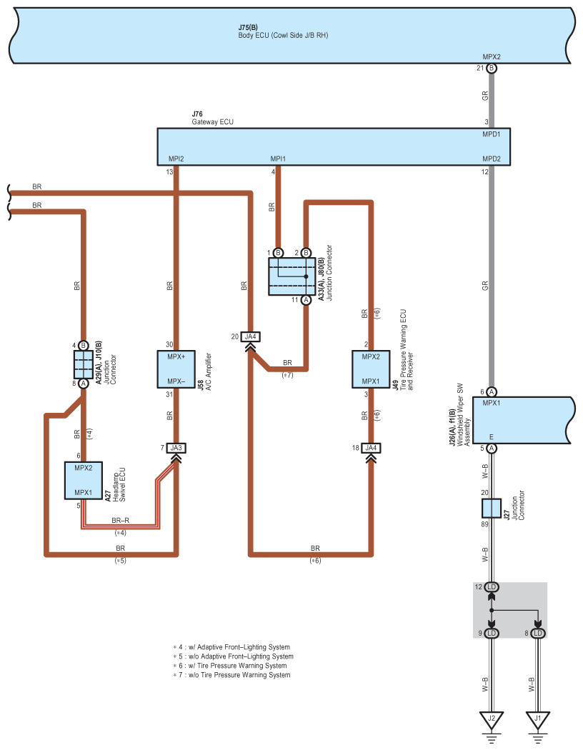
Fig 2: Illumination - Wiring Diagram (2 Of 7)
G08918422Courtesy of © TOYOTA, LICENSE AGREEMENT TMS1002
Fig 3: Illumination - Wiring Diagram (3 Of 7)
G08918423Courtesy of © TOYOTA, LICENSE AGREEMENT TMS1002
Fig 4: Illumination - Wiring Diagram (4 Of 7)
G08918424Courtesy of © TOYOTA, LICENSE AGREEMENT TMS1002
Fig 5: Illumination - Wiring Diagram (5 Of 7)
G08918425Courtesy of © TOYOTA, LICENSE AGREEMENT TMS1002
Fig 6: Illumination - Wiring Diagram (6 Of 7)
G08918426Courtesy of © TOYOTA, LICENSE AGREEMENT TMS1002
Fig 7: Illumination - Wiring Diagram (7 Of 7)
G08918427Courtesy of © TOYOTA, LICENSE AGREEMENT TMS1002