lemon-mirror:
Home >> Lexus >> 2007 >> IS 350 >> Repair and Diagnosis >> Electrical >> Body Electrical >> OEM System Circuits >> Rear Sunshade >> Notes

Rear Sunshade: Notes

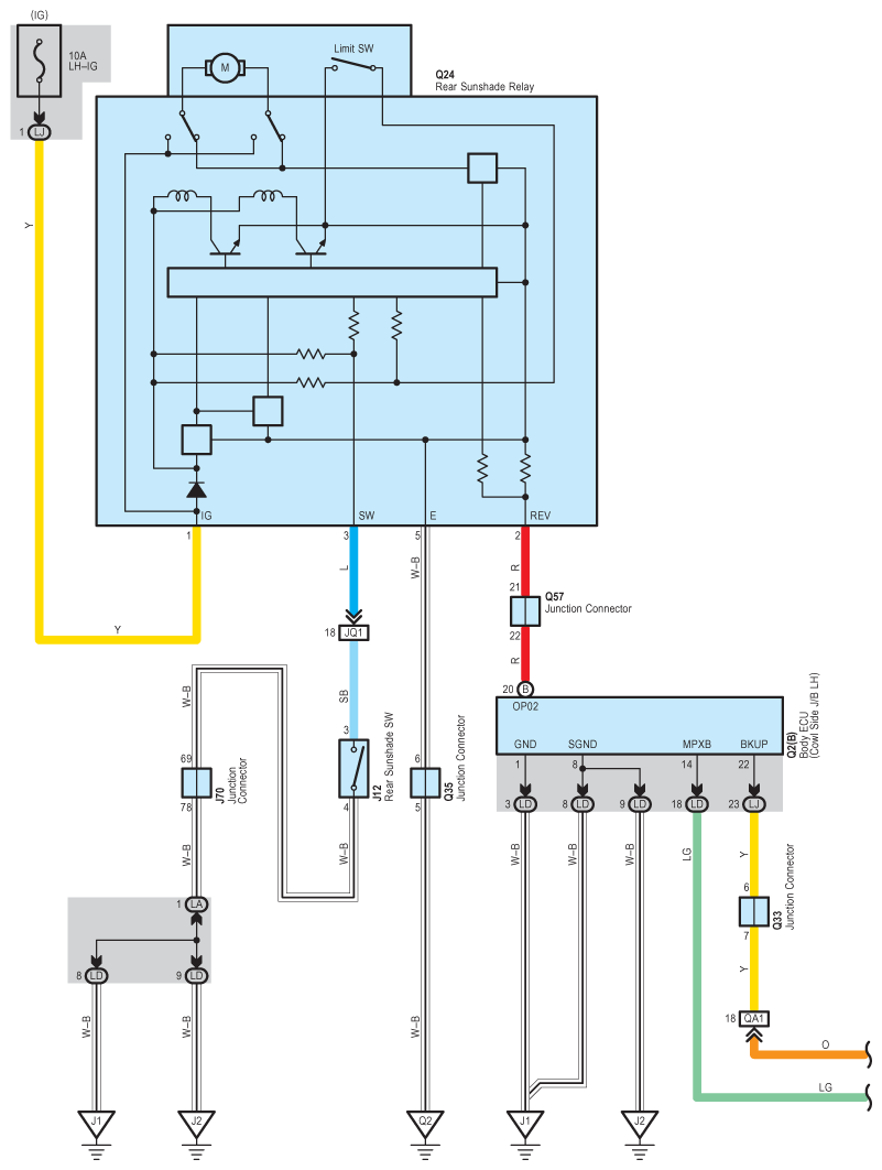
Fig 1: Rear Sunshade - Wiring Diagram (1 Of 2)
G08918607Courtesy of © TOYOTA, LICENSE AGREEMENT TMS1002
Fig 2: Rear Sunshade - Wiring Diagram (2 Of 2)
G08918608Courtesy of © TOYOTA, LICENSE AGREEMENT TMS1002